[헬로티]
온보드 전자식 전원 공급 장치의 크기가 갑자기 이전보다 20% 이하로 줄어든다고 가정해보자.
대부분 최종 사용자들에게 전원 공급 장치의 크기는 큰 의미가 없다. 전원 공급 장치가 전자시스템 보드 공간의 절반을 차지하긴 하지만 그들은 전원 공급 장치에 큰 관심을 기울이지 않기 때문이다. 이것을 이전 크기의 5분의 1로 줄인다면 장비는 훨씬 더 작아지고 경량화 될 수 있다. 간혹 같은 크기로 장비를 유지하더라도 새로운 고성능 기능들을 추가할 수 있는 공간이 생기게 될 것이다. 이것은 전자공학에 혁신을 가져올 중요한 사건이다.
온보드 전자식 전원 공급 장치의 크기가 갑자기 이전보다 20% 이하로 줄어든다는 것이 앞으로 얼마나 중요해질지 가늠하기 위해서는 완전 자율 운행을 위해 이미지 처리를 점차 늘려가고 있는 자동차를 생각해보면 된다. 휴대 기기와 웨어러블 기기는 이전보다 이동성이 늘어나게 될 것이다. 커다란 랙 마운트 장비는 더 많은 채널과 기능들을 작은 공간 안에 과열없이 채워넣을 수 있다. 항공 드론은 이러한 감량을 이용해 고성능 이미지를 처리하면서 더 오래 하늘을 날 수도 있다.
다시 말해 모든 전자 분야가 전원 공급 장치의 이러한 대대적인 축소의 혜택을 볼 수 있다는 의미다.
이러한 시스템 규모의 축소는 텍사스 인스트루먼트(TI)가 도입한 온보드 전원 공급 장치를 위한 새로운 커패시티브 변환 토폴로지를 이용했을 때 가능하다. 이 혁신은 전력 입력을 높은 전압에서 낮은 전압으로 변환하는 스텝다운 애플리케이션을 위해 고안된 것인데, 이는 비슷한 칩에서 과거 사용했던 것보다 훨씬 높은 주파수 작동을 가능하게 해준다. 이 분야에서 업계 최초로 새로운 토폴로지를 채택한 TI의 최초 집적회로(IC)는 통신 인프라, 대용량 스토리지, 테스트 및 계측 등 애플리케이션들을 목표로 하고 있다.
촘촘하게 채워 넣은 장비의 경우, 이 새로운 벅 컨버터(또는 온보드 기능을 제공해 전압을 낮춰 조절하는 칩)는 현재 밀도의 5~7배가 가능하기 때문에 제조 업체는 시스템을 확대하지 않고도 더 많은 기능을 제공할 수 있다. 벅 컨버터의 크기는 몇년 동안 크게 변하지 않았는데, 다른 애플리케이션 분야들을 위해 계획된 앞으로의 제품들은 이러한 이점들을 넓힐 수 있을 것으로 보인다.
뜻밖의 의미있는 리사이징
전원 리스케일링은 대약진보다는 소형화의 긴 여정을 작은 걸음으로 한 걸음씩 나아가는 점진적 과정이었다. 케이블을 단 전원 공급 장치(브릭)가 랩톱 컴퓨터 세대가 바뀔 때마다 줄어들었던 것을 생각해보자. 시스템 보드에 상주하는 전원 공급 장치인 경우, 같은 기간에 훨씬 천천히 줄어들었다. 새로운 커패시티브 변환 토폴로지를 이용하면, 갑자기 전원 공급 장치가 제품 밀도와 소형화라는 전체 계단을 한 계단씩 오르지 않고도 단숨에 뛰어오르는 것과 같다. 이번 변화는 신소재나 제조업의 발전 덕분이 아니라 혁신적인 설계 덕분이며, 이것이 리스케일링 대부분의 원인이다.
이 새로운 전원 공급 장치는 입증된 제조 프로세스를 이용해 만들 수 있으며, 고품질과 빠른 램프 볼륨을 지원한다. 새로운 직렬 커패시터 토폴로지로 만들어진 벅 컨버터는 안정적으로 전압 입력이 잘 조절돼 어디에서나 유용하므로 전반적인 전자 업계에 막대한 영향을 미치게 될 것이다.
공간 감축의 문제
모든 전자시스템은 배터리 전원이나 라인 소스 전원으로 작동한다. 결국 배터리 구동 시스템은 이 새로운 토폴로지의 혜택을 보게 되겠지만, 그림 1과 같이 초기 제품은 라인 구동 제품에 초점이 맞춰져 있다. 그림 1에서 알 수 있듯이, 전력 변환은 다단계 동작으로 이루어지는 경우가 많은데, 특히 초기 입력 전압이 장비의 부품으로부터 사용되는 전압보다 훨씬 클 경우에 더욱 그렇다.
다이어그램 왼쪽 점선 안의 상자는 PC 전원 케이블의 브릭처럼 시스템 가까이에서 볼 수 있는 경우가 많다. 그에 반해 벅 컨버터는 시스템 보드 그 자체에서 볼 수 있다. 각각의 컨버터가 중간 전압(여기에서는 12V)을 취한 후, 시스템의 전자 부품들을 위해 더 낮은 전압으로 스텝다운시킨다. 일부 시스템의 경우에는 이 점선 상자와 온보드 컨버터가 추가된 중간 전압들로 인해 더 많은 단계들로 분리될 수도 있다.

▲ 그림 1. 전력 공급 시스템
전체 전원 공급 장치의 크기를 줄일 수 있는 방법은 변환 단계를 줄이는 것인데, 이것은 컨버터의 입력 전압 대 출력 전압의 비율이 클 때 가능하다(VIN - VOUT). 즉, 10대 1 비율은 12V 입력을 1.2V 출력으로 스텝다운할 수 있도록 해주고, 5대 1 비율은 그 입력을 2.4V까지 스텝다운 할 수 있도록 해준다. 보드의 디바이스가 1.2V에서 전력을 요구하는 경우, 10대 1 컨버터는 한 단계 만에 공급해줌으로써 공간을 절약한다.
전원 공급 장치의 크기를 줄이는 또 다른 방법은 컨버터 내의 부품들을 리스케일링 하는 것이다. 전원 공급 장치가 대부분 시스템에서 공간의 30~50%를 차지하는 것을 감안했을 때, 이러한 공간 절약의 의미는 크다. 그러나 뒤에서 설명하겠지만 벅 컨버터의 규모를 줄인다는 것은 쉬운 일이 아니다.
마지막으로 또 다른 중요한 설계 과제는 컨버터가 마이크로컨트롤러와 같은 고전류 디바이스나 여러 개의 저전류 디바이스를 구동할 수 있을 만큼 전원 공급 장치가 높은 출력 전류를 공급해야 한다는 것이다.
이 혁신적인 벅 컨버터는 높은 입력 전압 대 출력 전압 비율로 고주파수 동작을 완성함으로써 문제를 해결해준다. 동작 효율을 훼손하지 않고도 TI의 커패시티브 변환 토폴로지는 크기를 크게 줄여 더 작고 가벼운 애플리케이션을 설계할 수 있게 해줄 뿐만 아니라, 같은 공간에 더 많은 고성능 처리 및 기능을 채워 넣을 수 있게 해준다. 또한 이 새 컨버터는 BOM(bill of materials)을 줄여주어 전체 시스템 비용 절감에도 기여할 수 있다.
고주파수 동작
벅 컨버터는 스위치드 모드의 전원 공급 장치 유형으로, 동작 방식에서 이름이 붙여진 것이다. 입력 전압(VIN)이 빠르게 켜지고 꺼지면, 인덕터와 다른 부품들이 연속 출력 전압(VOUT)으로 펄스를 안정시키는데, 이것은 시간 VIN에 비례해 켜진다. 예를 들어, VIN이 시간의 25%에 있는 경우, VOUT은 이론상 입력 전압의 25%가 될 것이다(4대 1 전압 강하). 그러나 이 프로세스의 효율이 완전한 것은 아니다. 이 회로는 어쩔 수 없이 스위칭에 일부 전력을 낭비하게 되기 때문이다.
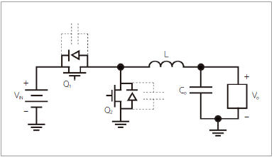
기본적인 벅 컨버터의 부품들이 그림 2에 나와 있다. L은 인덕터, C는 출력 커패시터, Q1와 Q2은 FET(field-effect transistors)이다. 이것이 번갈아 입력 전압을 켜고 끄면서 두 개 위상의 동작을 만들어낸다.

▲ 그림 2. 기본적인 벅 컨버터
전원 손실 말고도, 인덕터는 또 다른 난점을 만들어낸다. 인덕터는 나머지 전원 공급 장치만큼의 공간을 차지하는 크고 무거운 부품이기 때문이다. 인덕터는 보드 위로 확장해 보드를 가로지른다. 삼차원의 많은 공간이 필요하기 때문이다. 인덕터 크기는 전원 공급 장치가 온/오프 변환할 때의 주파수에 반비례한다. 즉 주파수가 높을수록, 작은 인덕터를 사용할 수 있다는 뜻이다. 그러나 주파수가 높을수록 스위칭 전력 손실도 커지고, 따라서 고주파수 동작의 효율도 훨씬 더 떨어지게 된다.
고주파수를 처리하기 어렵게 만드는 또 다른 요인은 각 펄스가 시작될 때의 신호 온타임이다. 이 온타임은 VIN-VOUT 비율이 높을 때 문제를 만들어낼 수 있다. 펄스의 몇 분의 1 동안만 신호가 온 상태에 있기 때문이다. 예를 들어, 2MHz 신호에서 10대 1 전압 강하의 경우, 그 전압은 50나노초에 불과하다. 대부분의 컨버터 설계에서는 컨버터 동작을 정확히 제어하기에는 충분치 않은 시간이다.
그 결과, 대부분의 벅 컨버터는 1MHz 미만으로 동작하도록 제한돼 있고, 대부분 훨씬 낮은 속도로 동작한다. 더 높은 주파수에서 작동하는 것들은 VIN-VOUT 비율이 낮고 펄스가 길어 더 많은 온타임 마진이 주어진다. 또한 높은 주파수에서의 전력 손실 때문에 이 디바이스들은 낮은 출력 전류를 공급한다.
그러므로 전력을 공급할 수 있는 부품의 유형과 수는 제한적이다. 구동 주파수에서 제한을 받게 되는 벅 컨버터들은 리스케일을 크게 할 수 없었다. 커다란 인덕터와 그 밖의 부품들을 사용할 수 밖에 없었기 때문이다.
설계를 통한 개선
커패시터를 직렬로 내놓고 커패시티브 설계를 지원하도록 회로를 수정함으로써 이러한 고주파수 문제를 해결할 수 있다.
다음 논의에서는 이 컨버터 설계의 다른 점과 제한적인 공간이라는 설계 목표의 달성 이유, 높은 전압 출력 비율, 높은 전류에 대한 기본 개념을 제시하고자 한다. 보다 자세한 기술적 설명은 글 하단의 참고문헌에서 확인할 수 있다.
그림 3은 2상 직렬 커패시터 벅 컨버터다. 이 설계와 그림 2의 가장 중요한 차이점 한 가지는 컨버터의 두 개 병렬 섹션(또는 위상)이 각자 자기만의 인덕터를 가지고 있다는 것이다(La 및 Lb). 또한 추가 스위치들이 두 번째 위상을 통해 에너지 흐름을 제어한다.

▲ 그림 3. 직렬 커패시터 벅 토폴로지
커패시터가 번갈아 충전과 방전을 하고 FET 전원 스위치(Q2a 및 Q2b)가 열리고 닫히면, 전류 흐름이 4회 간격으로 번갈아 두 개 인덕터를 흐르며 해당 스텝다운 레벨에서 정상 상태(steady-state) 출력을 확립한다.
커패시터에 흐르는 전압은 공칭 VIN의 50%로, 스위칭 중의 전원 손실을 최소화하는 역할을 한다. 전압 스윙이 낮을수록 각 사이클에서의 전력 손실도 줄어들기 때문이다. 그렇게 되면 고주파수 스위칭을 사용할 수 있고 인덕터와 커패시터를 스케일링 다운할 수 있어 시스템 공간과 무게를 줄일 수 있다.
출력 품질을 높이고 설계 복잡도를 줄일 수 있는 또 다른 이점들로는 인덕터 전류 리플의 감소, 인덕터들 간의 자동 전류 밸런싱, 커패시터를 통한 부드러운 충전과 방전, 두 배로 늘어난 온타임, 뛰어난 부하 과도 응답 반응 등이 있다. 이 모두가 소형 고주파수 전압 레귤레이터를 만들 때의 문제들을 극복하는데 도움이 된다.
공간 제한적인 애플리케이션에서의 활용
TPS54A20 SWIFT 스텝다운 벅 컨버터는 TI의 커패시티브 변환 토폴로지에 기반한 초기 제품이다. 이것은 통신 인프라, 대용량 데이터 스토리지처럼 고밀도 시스템과 테스트 및 계측 장비와 같은 고성능이고, 초소형 시스템에서 PoL(point- of-load) 전압 조절을 한다.
이 디바이스는 완전 10앰프의 출력 전류를 제공하기 때문에 제조 업체는 시스템 기능들을 가능하게 하는 다양한 드라이브 혜택을 누릴 수 있으며, 고전압 변환 비율로 전력 단계들을 최소화해 전체 시스템 효율을 개선할 수 있다. 다른 벅 컨버터에서 볼 수 있는 90% 이상의 TPS54A20 컨버터는 패시브 디바이스가 아닌, 그림 3에 나와 있는 설계 전체를 구현하고 있다. 그림 4는 500kHz에서 동작하는 기존 벅 컨버터에 필요한 보드 공간과 2MHz에서 새로운 컨버터를 이용해 구현된 것을 서로 비교하고 있다.

▲ 그림 4. 벅 컨버터 설계의 리스케일링
컨버터의 전체 리스케일링 결과에서 큰 차이가 나는 것은 인덕터 크기가 줄어들었기 때문임에 주목하자. 새로운 설계에서의 인덕터는 기존 보드 설계보다 12배 작으므로 비용도 훨씬 절감할 수 있다. 열 연구에 따르면, 고주파수 동작에도 불구하고 작아진 설계에서 열이 잘 방산됨을 알 수 있다.
다양한 애플리케이션 이점들
시스템이 새로운 커패시티브 변환 토폴로지로 현재 밀도의 3~7배를 달성함으로써 일정 크기의 랙 마운트 카드들을 가진 제조업체들이 더 많은 기능들을 같은 공간에 채워넣을 수 있도록 해주고 있다. 이 새로운 컨버터 설계에서의 인덕터는 처음으로 전원 공급 장치를 보드 뒤에 배치할 수 있을 만큼 작기 때문에, 여유 공간이 부족한 곳에서는 다른 회로를 위해 보드 위에 유용한 공간을 만들어낼 수 있다.
커패시티브 변환의 혁신이 랙 마운트 장비용 카드에만 국한된 것은 아니다. 다른 벅 컨버터들이 개발되면 고전압 산업과 오토모티브 장비, 저전압 휴대용 애플리케이션, 심지어 웨어러블 전자 제품까지 혜택을 보게 될 것이다. 이 기술을 재작업해 전압을 줄이는 것이 아니라, 전압을 높이는 기능을 하는 스텝업 컨버터나 부스트 컨버터를 개발할 수도 있다. 직렬 커패시터의 설계는 특정한 초기 제품의 실체화 단계에서 뿐만 아니라 여러 특허 애플리케이션의 원천이 되어 장기적으로 다양한 가능성을 보여주고 있다는 점에서 중요하다.
미래의 전원
다양한 애플리케이션에서 직렬 커패시티브 벅 컨버전 기술을 구현하는 데에는 시간이 걸리며, 아울러 IC 제품도 꼼꼼하게 설계하고 시스템 개발자 및 제조업체에 대한 지원도 필요하다. 다행스럽게도 TI는 이러한 변화를 주도할 수 있다.
전원 관리 IC의 업계 선도적인 공급자로서 TI는 커패시티브 전환 기술을 기반으로 다양한 제품들을 구현할 수 있는 설계 역량과 제조 역량을 갖추고 있다. 이를 바탕으로 개발된 새로운 전원 공급 장치 IC는 입증된 프로세스를 이용해 품질과 빠른 볼륨 시간을 확보할 수 있다.
전원 공급 장치의 진보는 전자기기의 지속적인 발전에 있어 필수적이다. 수십 년간 제약적이었던 공간에서 벗어남으로써 TI는 다시 한번 더욱 다양한 애플리케이션에서 고객과 함께 더 작고 더 효율적인 전자기기를 개발하는데 전념하고 있음을 입증하고 있다.
프라딥 쉐노이(Pradeep Shenoy) _ 텍사스 인스트루먼트
리치 노아고스키(Rich Nowakowski) _ 텍사스 인스트루먼트















































