이 글에서는 포지셔닝 모터 애플리케이션용 모터 선택 방법을 알아본 후, 스테퍼의 물리학, 기본 컨트롤 시스템의 전자 공학을 비롯해 모터 컨트롤용 소프트웨어 아키텍쳐 등 스테핑 모터 및 스테핑 모터 컨트롤 시스템의 기본 원리를 알아본다.
스테핑 모터는 정류(commutation)가 없는 전기 모터라고 생각하면 이해가 편하다. 통상적으로 모터의 모든 권선(winding)은 고정자(stator)의 한 부분이며 로터(rotor)는 영구 자석이거나 가변 릴럭턴스 모터의 경우 자성을 띈 연성 소재로 된 톱니 블록이다.
모든 정류는 모터 컨트롤러에 의해 외부적에서 처리되어야 한다. 통상적으로, 모터와 컨트롤러는 모터를 한쪽 방향 또는 그 반대쪽 방향으로 회전하게 하고 특정한 위치에서 정지할 수 있도록 설계된다. 알려진 바와 같이 대부분의 스테퍼는 스테퍼를 아주 빠르게 회전하도록 하는 가청 주파수에 의해 한 단계씩 진행되며 적절한 컨트롤러를 통해 조정되는 방향으로 즉시 작동 및 정지를 할 수 있다.
스테퍼 모터는 무엇보다도 먼저 포지셔닝 애플리케이션에 사용되지만 그 것이 전부는 아니다. 이제 카메라를 가져와 모든 경우를 확인해 보자. 지금부터 포지셔닝 모터 애플리케이션용 모터 선택에 대해 알아본다. AC 인덕션 모터 또는 피에조 모터(Piezo motors) 등과 같이 가능한 또 다른 선택이 있지만 아래의 3가지 모터 유형이 일반 용도의 모션 컨트롤을 위해 오늘날 사용되는 대부분의 애플리케이션을 대표한다는 점에 유의한다.

▲ 그림 1. 전압 모드
포지셔닝 모터 애플리케이션용 모터 선택 방법
1. 스테퍼 모터
이 모터들은 셀프 포지셔닝 모터이므로 사용이 간단하다. 포지션을 유지하기 위한 인코더를 필요로 하지 않으며 서보 컨트롤 루프(servo control loop)도 필요 없다. 단점은 진동과 소음이 있다는 것이며 속도 범위가 제한적이란 점이다. 브러시리스 DC모터와 마찬가지로 반드시 다상 드라이브를 사용하여 외부에서 ‘정류(commutated)’되어야 한다.
2. DC 브러시 모터
이 모터들은 피드백용 포지션 인코더를 필요로 하는데 PID 제어 또는 다른 포지션 루프 컨트롤러를 사용해 안정시켜야 한다.
이러한 모터는 외부에서 위상 조절이 필요 없고 어느 정도 전류가 공급되면 알아서 작동한다. 그러나 정류(commu-tation)를 담당하는 모터 내부의 기계적 브러시는 결국 마모되어 고장을 일으킨다.
3. 브러시리스 DC 모터
이 모터들은 외부의 전자 정류뿐만 아니라 피드백을 위해 인코더를 갖춘 서보 컨트롤을 필요로 한다. 또한 브러시가 없고 고속에서 높은 토크를 제공한다. DC 브러시 모터와 비교할 때 최근의 브러시리스 DC모터는 예전에 비해 가격이 매우 낮아졌기 때문에 서보 컨트롤 애플리케이션의 압도적인 대안이 되고 있다.
일부 애플리케이션의 경우, 서보 모터와 스테핑 모터 중 어떤 것을 사용할 지는 선택 사항이다.
두 모터 모두가 유사하게 정확한 포지셔닝을 제공하지만 몇 가지 방식에서는 서로 다르다. 서보 모터는 일종의 아날로그 피드백 컨트롤 시스템을 필요로 하는데 여기에는 통상적으로 로터 포지션에 관한 피드백을 제공하는 포텐서미터 및 원하는 위치와 현재 위치간의 차이에 반비례하여 모터에 전류를 구동하는 전자회로가 포함된다.
스텝 모터와 서보 모터간의 선택을 할 때에는 애플리케이션에 따라 몇 가지 문제점들이 고려되어야 한다. 예를 들어, 스테핑 모터로 작동된 포지셔닝의 반복성은 모터 로터의 기하학적 구조에 달려있지만, 서보 모터에 의한 포지셔닝의 반복성은 일반적으로 포텐서미터와 피드백 회로에 있는 여러 아날로그 부품의 안정성에 달려있다는 점이다.
스테핑 모터는 단순한 형태의 개 루프 제어 시스템에 사용될 수 있는데 정적인 부하를 가지면서 낮은 가속력으로 작동하는 시스템에 일반적으로 적당하다.
그러나 높은 가속력이 필요한 경우, 특히 가변 부하일 경우 폐 루프 컨트롤이 반드시 필요하다. 만약 개루프 컨트롤 시스템에서 스테퍼에 오버 토크가 걸린 경우 로터 위치에 대한 모든 정보는 상실되므로 시스템을 초기화해야 한다. 그러나 서보 모터는 이러한 문제점을 가지고 있지 않다.
스텝 모터 유형
스테퍼 모터는 영구 자석과 가변 릴럭턴스 등 두 가지 유형이 있다. 물론 하이브리드 형태의 모터도 있지만 컨트롤러의 관점에서 보면 영구 자석 모터와 구별이 되지 않는다. 모터에 이름표가 붙어있지 않고 전원이 공급되지 않을 때라면, 두 가지 모터를 느낌으로 구별할 수 있다.
영구 자석 모터는 손가락으로 로터를 돌렸을 때 딸깍하며 걸리는 경향이 있다. 반면, 가변 릴럭턴스 모터는 비록 로터의 잔류 자화로 인해 약하게 딸깍하며 걸릴 수도 있지만 거의 소리를 내지 않고 자연스럽게 돌아간다.
옴 미터(저항계)를 사용하여 두 모터를 구별하는 게 가능하다. 가변 릴럭턴스 모터는 일반적으로 하나의 공통 귀선에 3개의 권선(때로는 4권선)을 가지고 있지만 영구 자석 모터는 일반적으로 독립 된 2개의 권선(센터 탭이 있기도 하고 없기도 함)을 가지고 있다. 센터 탭이 있는 권선은 단극 영구 자석 모터에 사용된다.
스테핑 모터는 다양한 범위의 각 분해능을 가진다. 가장 조잡한 모터는 통상 각 스텝마다 90도 회전하지만, 높은 분해능을 갖는 영구 자석 모터는 일반적으로 각 스텝당 1.8 또는 심지어 0.72도로 움직일 수 있다.
적절한 컨트롤러만 갖춘다면 대부분의 영구 자석 및 하이브리드 모터는 반 스텝으로 작동이 가능한데 일부 컨트롤러는 더 작게 소수점화된 스텝이나 심지어 마이크로 스텝으로까지 조정할 수 있다.

▲ 그림 2. PWM 모드 - 마이크로스테핑
영구 자석 및 가변 릴럭턴스 스테핑 모터의 경우 모터의 권선 하나에만 전력이 공급되면 로터(부하가 없는 상태에서)는 고정된 각으로 찰깍 움직이며 토크가 모터의 정지 토크를 초과할 때까지 그 각도를 유지한다. 그 지점에서 로터가 회전하는데 각각의 연속된 평행점에서 정지하려 한다.
1. 가변 릴럭턴스
이 형태의 모터는 영구 자석을 사용하지 않는다. 결과적으로 로터는 제약 또는 정지 토크 없이 움직일 수 있다. 이런 형태의 구성은 마이크로 슬라이드(micro slide) 포지셔닝과 같이 높은 토크가 필요치 않는 애플리케이션에서 일반적으로 사용된다.
2. 영구 자석
‘캔스택(canstack)’ 또는 ‘틴캔(tincan)’ 모터라고 불리는 이 스테핑 모터는 영구 자석 로터를 가지고 있다. 상대적으로 저속이며 45도 또는 90도의 넓은 스텝을 갖는 저 토크용 장치이다. 구성이 간단하여 생산 비용이 낮으며 낮은 파워로 구동되는 애플리케이션용에 이상적이다.
3. 하이브리드 스테퍼
스테퍼 모터의 한 형태로 가변 릴럭턴스와 영구 자석 타입이 조합된 형태이다.
스테퍼 모터 기초
1. 스테퍼 모터의 특징
• 회전각은 입력 펄스의 수치에 비례
• 회전 속도는 입력 펄스의 주파수에 비례
• 포지션 피드백이 요구되지 않는 개루프 시스템
• 가속, 감속 및 스텝 명령에 대해 탁월한 반응
• 포지셔닝 에러 비축적(스텝 각도 ±5%)
• 기어 감속이 필요 없이 탁월한 저속 및 높은 토크
• 통전 시 정지 토크
• 내재된 정지 토크
• 양 방향 작동
• 모터 손상 없이 정지 가능
• 브러시가 없어 문제를 일으키지 않고도 장시간 작동
• 정밀한 볼 베어링(브랜드/유형에 따라 다름)
스테퍼 모터의 단점
• 올바르게 제어되지 않을 경우 공명 발생 가능
• 초고속 작동의 어려움
• 과부하시, 위치 정보가 상실되기 때문에 시스템 초기화 필요 발생
• 동급 DC/AC 모터에 비해 사이즈 대비 낮은 토크
권선 연결
스테퍼 모터는 여러 가지 다른 리드 구성으로 생산된다 가장 일반적인 구성은 다음과 같다.
• 4 리드 - 이극
• 5 리드 - 단극
• 6 리드 - 단극, 이극(직렬 연결)
• 8 리드 - 단극, 이극(직렬 연결) & 이극(병렬 연결)
스테퍼 모드
스테퍼 모터는 여러 가지 상이한 시퀀스로 구동되는데 가장 보편적인 시퀀스는 다음과 같다.
1. 웨이브 드라이브
이 모드에서는 주어진 시간 동안 단상으로 통전된다. 단극 모터의 경우 가용 권선의 25%만이 활용되는데 이는 이극 모터의 경우 50%가 활용된다는 의미이다.
2. 풀 스텝 구동
이 모드에서는 주어진 시간 동안 2상으로 통전된다. 단극 모터의 경우 가용 권선의 50%가 사용되는데 이는 양극 모터의 경우 100% 활용된다는 의미이다.
3. 하프 스텝 구동
이 모드에서는 로터가 하프 스텝에 정렬되도록 웨이브 시퀀스와 풀-스텝 드라이버가 삽입된다. 단극 모터의 경우 평균적으로 가용 권선의 37.5%가 활용되는데 이는 양극 모터의 경우 75%가 활용된다는 의미이다.
응용 분야
1. 산업용 기계
스테퍼 모터는 자동차 게이지 및 MFG 로보틱스, 검사 및 프로세스 플로우 등 기계 가공 자동화 생산 설비에 사용된다.
2. 보안
보안 카메라 PAN/ZOOM/TILT 기능을 가진 보안 산업에서의 감시용 신제품 등에 사용된다.
3. 의료
스테퍼 모터는 의료용 스캐너, 샘플 채취기의 내부뿐 아니라 디지털 치아 사진기, 액상 펌프, 인공 호흡기 및 혈액 분석용 기계에도 사용된다.
4. 소비자 가전 및 업무용·컴퓨터 주변 기기
자동 디지털 카메라 포커스 및 줌 기능을 갖춘 제품용 스테퍼 모터 등에 사용된다.
스테퍼 모터의 전류 제어
스테퍼 모터 드라이버는 다음과 같은 주요 요소를 갖추어야 한다.
1. 토크/ 토크 효율성
토크는 하나의 물체를 축을 중심으로 회전시키는 힘이다. 토크를 발생시키려면 영구 자석에 의해 발생하는 로터 필드(장)와 고정자 전류에 의해 발생된 고정자 필드(장) 두 가지 요소가 필요하다. 두 필드가 반대 방향일 때 토크는 최대치가 된다 - at 0 = -v/2 and 0 = v/2. 최대 전달 토크가 부하와 같을 때 효율성이 극대화되며 코일의 전류 증가하면 토크는 증가한다. 최대 토크가 안정적인 영역의 가장자리에서 전달되며 드라이버 로직 내에서 주의하지 않으면 모터가 정지할 위험이 있다는 것이 핵심이다.
2. 부하각
부하각 6은 고정자와 로터 필드간의 각으로서 발생한 토크와 부하간의 균형점 ‘p’이다. 부하가 증가하면 부하각 6 역시 증가한다.

▲ 그림 3. 부하각
3. 전류 제어
펄스폭 변조(PWM)을 사용하고 H-브릿지를 전환시키면 전압 4 가 코일과 모터의 권선 주변에 잘게 분포된다. 코일 전반에 걸쳐 전압이 증가하면 전류는 증가한다. 코일이 단락되면 전류는 감소하는데 이를 ‘감쇠(DECAY)’라고 한다.

▲ 그림 4. 방전전류 제어
스테퍼 모터 드라이버 및 애플리케이션의 핵심 이슈
1. 보안 카메라
보안이 전 세계적으로 최고의 관심사로 떠오름에 따라 IP 보안 카메라 사용 빈도가 지난 5년 사이에 4배나 증가했다. 디지털 카메라와 최신 기술의 적용이 늘어남에 따라 저가의 CMOS 와 CCD 이미지 센서 사용도 증가하는 추세이다.
비디오 화질은 센서 해상도와 ‘디지털 가공 능력(Digital Artifacts)’에 달려 있는데, 카메라가 상하 좌우 이동 할 경우 화면 왜곡 현상을 분명히 볼 수 있다.
처음에는 샤프트 인코드의 품질에 기반한 고해상도의 서보 피드백을 갖춘 고가의 아날로그 모터 드라이버로 이 문제를 해결하였다. 그러나 이러한 드라이버를 사용할 경우 비용이 너무 높아진다는 단점 때문에 비용을 낮추면서도 복잡하지 않게 화질을 개선하기 위한 다른 접근법이 필요하게 되었다.

▲ 그림 5. 도식도
온세미컨덕터의 스테퍼 모터 드라이버 솔루션
시스템 레벨 설계 및 조립 비용 절감뿐만 아니라 보안, 의료 및 산업 용도에 대한 관심이 증가함에 따라 모든 제조업체들은 전반적인 비용 감소뿐만 아니라 더 높은 집적도 수준에 의존하고 있다.
디지털 세계에서 고집적도는 새로운 것이 아니다. 매 18개월마다 속도는 두 배가 되고 집적 회로의 크기는 거의 50%로 작아졌다.
그러나 모터가 내부로 들어가는 파워 아날로그 세계에서 이것은 말처럼 쉬운 일이 아니다. 모터의 마력, 모터 구동 중 열 발산 그리고 표류 전류(stray current) 등을 감안해야 하며 드라이버는 효율적이면서도 작아서 아날로그 모터에 집적되어야 한다.
이에 업계는 비용, 정확도 및 쉬운 사용 등이 강조됨에 따라 스테퍼 모터 애플리케이션에 관심을 돌리고 있다. 위에서 언급한 것처럼, 이론적인 면에서 스테퍼 모터의 단순성은 놀랄 만큼 브러시나 접점을 필요로 하지 않는다. 이 모터는 기본적으로 자기장이 전기적으로 전환되면서 전기자 자석을 회전시키는 동기 모터이다. 디지털 펄스를 기계적인 축 회전으로 변환시키기 때문에, 다른 말로 표현하자면 일종의 ‘디지털 모터’인 셈이다.
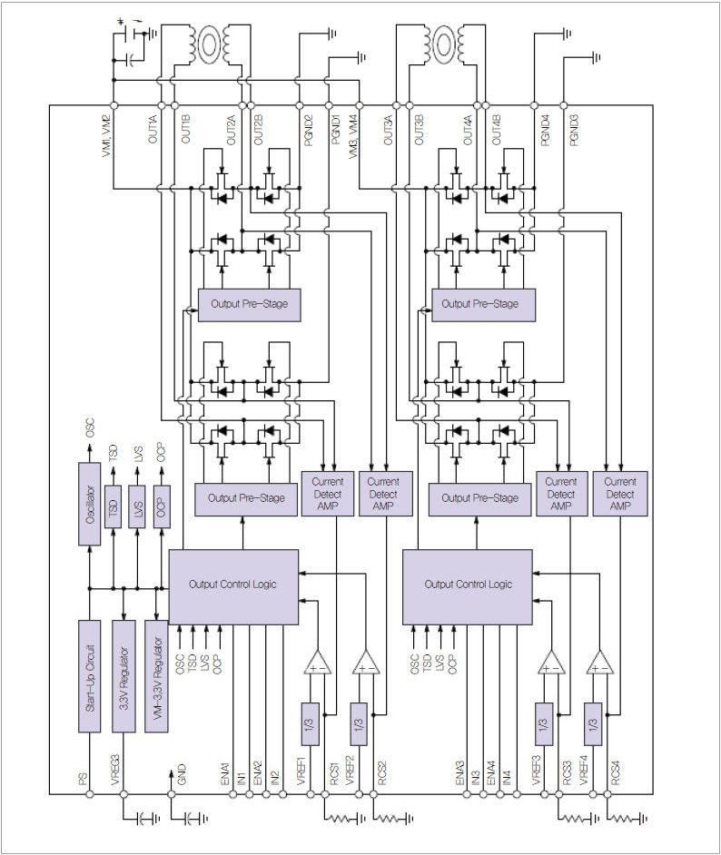
1. 고집적·듀얼 채널·PWM Constant·전류 제어 스테퍼 모터 드라이버 LV8714A
드라이버에 내장된 풀 쿼드 H-브릿지 전원 스위치와 PWM 로직을 갖춘 온세미컨덕터의 LV8714A소자는 필요한 경우 2개의 스테퍼 모터 또는 4개의 DC 브러시 모터를 구동할 수 있다. LV8714를 이용하면 어떤 설계 엔지니어라도 몇 주(몇 달이 아니라) 이내에 초당 상하/좌우 기능을 가지는 카메라를 처음부터 끝까지 설계하는 게 가능해진다. LV8714A를 사용하면, 각 H-브릿지마다 가능한 기준 전압 입력 덕분에 2개의 모터를 동시에 구동할 수 있다. 폭넓은 전압 입력 범위(4-16.5V)로 인해 다음과 같은 카메라 애플리케이션에 완벽한 솔루션이 된다.
• PoE Sec 카메라
• PoE 포인트 POS 터미널
• 문서 스캐너
• 조립 라인 품질 관리
• 평판형 스캐너 및 복합 프린터기
이 외에 다음과 같은 다양한 안전 요소가 내장되어 있다.
• 추가 비용 절감을 위한 단일 공급 전원
• 낮은 Rds(on) 내부 FET로 인한 고효율 및 낮은 전력 소비
• 부품 개수를 줄이고 전력 손실을 더 줄이기 위한 내부 전류 센스 저항기(경쟁사 대비 전력 소비를 35% 감축)
• 추가 부품을 사용하지 않고 과전류 및 과열을 차단하는 완벽한 안전 설계
<자료 : 온세미컨덕터>
정리 : 임재덕 기자 (eled@hellot.net)















































