스테핑 모터는 정류 없는 전기 모터라고 볼 수 있다. 통상적으로 모터의 모든 권선은 고정자의 일부이며 회전자는 영구 자석이거나, 가변 릴럭턴스 모터는 일부 자성을 띤 연성 소재로 된 톱니 블록이다.
모든 정류는 모터 컨트롤러에 의해 외부적으로 처리돼야 하며, 모터가 특정 방향이나 다른 방향으로 회전하고 고정된 위치에서 멈출 수 있도록 모터와 컨트롤러가 설계된다.
여기서는 스테퍼의 물리학, 기본 제어 시스템의 전자학, 그리고 모터 제어에 적합한 소프트웨어 아키텍처를 포함한 스테핑 모터와 스테핑 모터 제어 시스템의 기본 원리에 대해 알아 본다.
대부분의 스테퍼는 자동 빈도로 스텝될 수 있으므로 빨리 회전할 수 있으며 컨트롤러를 통해 조절되는 방향으로 ‘즉시’ 시작 및 중지될 수 있다. 스테핑 모터는 주로 포지셔닝 용도로 사용되지만 꼭 이 작업에만 사용되지는 않는다. 그렇다면 이제부터 카메라를 찬찬히 뜯어 보며 전반적인 선택을 체크해 보자.
다음에 포지셔닝 모터 적용을 위한 공통적인 모터 선택 정보를 나타낸다. AC 인덕션 모터나 피에조 모터 등 가능한 선택안은 적지만, 이 세 가지 종류의 모터들이 오늘날 일반적인 용도의 모션 컨트롤에 사용되는 대다수의 애플리케이션을 대표한다는 점을 주지할 필요가 있다.
① 스테핑 모터
이 모터는 셀프 포지셔닝이므로 사용법이 간단하다. 포지션을 유지하기 위한 인코더가 필요 없고 서보 컨트롤 루프도 필요 없다. 단점은 진동과 소음, 그리고 제한된 속도 범위이다. 브러시리스 DC 모터와 마찬가지로, 반드시 다상 드라이브를 활용해 외부적으로 ‘정류’되어야 한다.
② DC 브러시 모터
이 모터는 피드백을 위한 포지션 인코더를 필요로 하며 PID(비례, 적분, 미분) 컨트롤러나 기타 포지션 루프 컨트롤러를 사용하면 안정된다. 이 모터는 외부 위상 조정이 필요 없고, 어느 정도 전류가 부여되면 알아서 작동한다. 하지만 정류를 담당하는 모터 내부의 기계적인 브러시는 결국 마모되거나 고장을 일으킬 수 있다.
③ 브러시리스 DC 모터
이 모터는 외부 전자 정류뿐 아니라 피드백을 위한 인코더를 갖춘 서보 제어 기능을 필요로 한다. 하지만 브러시가 없고, 넓은 속도 범위에서 높은 토크를 제공한다. 브러시리스 DC 모터는 예전에 비해 비용이 크게 낮아졌기 때문에 브러시 DC 모터에 비해 서보 제어 애플리케이션에서 압도적으로 선호된다.
일부 애플리케이션의 경우, 서보 모터와 스테핑 모터 중에서 선택이 이루어지기도 한다. 두 종류의 모터 모두 정밀한 포지셔닝 기회는 비슷하지만 여러 가지 면에서 차이가 있는데, 서보 모터는 일종의 아날로그 피드백 제어 시스템을 필요로 한다.
이 과정에는 통상적으로 전위차계를 사용해 회전자 위치에 관한 피드백을 제공하는 포텐셔미터가 필요하다. 일부 회로를 혼합하면 원하는 위치와 현재 위치 사이의 차이 및 역비례로 모터를 구동할 수 있다. 스테퍼와 서보 중 하나를 선택하는 과정에서는 용도에 따라 여러 가지 문제를 고려해야 한다.
예를 들어, 스테핑 모터로 이루어지는 포지셔닝의 반복 가능성은 모터 회전자 배열에 좌우되는 반면, 일반적으로 서보 모터로 이루어지는 포지셔닝의 반복 가능성은 전위차계 및 피드백 회로의 기타 아날로그 부품 안정성에 좌우된다.
스테핑 모터는 단순한 오픈 루프 제어 시스템에 사용될 수 있다. 일반적으로 부하가 고정된, 낮은 가속으로 작동하는 시스템에 적합하지만 특히 가변적인 부하가 개입되는 높은 가속의 경우 클로즈드 루프 제어 시스템이 반드시 필요하다. 오픈 루프 제어 시스템의 스테퍼에 오버 토크가 가해질 경우, 회전자 위치에 대한 모든 값들이 분실되므로 시스템을 다시 시작해야 한다. 그러나 서보 모터는 이러한 문제를 겪지 않는다.

▲ 그림 1. H-브릿지를 활용한 2 모터 코일의 전류 제어-전압 모드
스테퍼 모터 타입
스테퍼 모터는 영구 자석과 가변 자기 저항형의 두 종류로 분류된다(컨트롤러 기능 유무를 기준으로 했을 때 영구 자석과 구별할 수 없는 하이브리드 모터도 있다). 모터에 라벨이 없다면 일반적으로 전원이 통하지 않을 때도 느낌으로 두 종류를 구분할 수 있다.
영구 자석 모터는 손가락으로 회전자를 비틀었을 때 ‘딸깍’ 하며 걸리는 느낌이 있지만 가변 자기 저항형 모터의 경우 (회전자의 잔류 자화로 인해 약간 딸깍 소리를 내며 걸릴 수도 있지만) 거의 자유롭게 회전한다.
저항계로도 두 종류를 구분할 수 있다. 일반적으로 가변 자기 저항형 모터에는 3개(때로는 4개)의 권선과 한 개의 공동 권선이 있지만 영구 자석 모터에는 센터 탭이 있거나 없는 두 개의 독립적인 권선이 있다. 센터 탭이 있는 권선은 단극성 영구 자석 모터에 사용된다.
스테핑 모터는 광범위한 각도 분해능으로 나온다. 가장 거친 모터는 일반적으로 스텝당 90도 회전되지만 분해능이 높은 영구 자석 모터는 공통적으로 스텝당 1.8∼0.72도까지도 처리할 수 있다. 적절한 컨트롤러가 갖춰진 경우라면 대부분의 영구 자석 및 하이브리드 모터는 반 스텝으로 구동하며, 일부 컨트롤러는 그보다 작은 단편 스텝(Fractional Step)이나 마이크로 스텝 등 미세한 부분을 처리할 수 있다.
영구 자석과 가변 자기 저항형 스테핑 모터 모두 모터의 권선 중 한쪽에만 통전되면 (무부하 상태에서) 회전자가 고정된 각도로 움직인 후 토크가 모터의 정지 토크를 초과할 때까지 그 각도를 유지한다. 그러다가 회전자가 돌아가는 시점 각각의 연속 평형점에서 정지를 시도하게 된다.

▲ 그림 2.
1. 가변 자기 저항형
이 종류의 모터는 영구 자석을 사용하지 않으므로 회전자가 제약이나 ‘정지’ 토크 없이 움직일 수 있다. 이와 같은 유형의 구성은 일반적으로 마이크로 슬라이드 포지셔닝과 같이 높은 토크를 필요로 하지 않는 용도에 사용된다.
2. 영구 자석
이 모터는 ‘canstack’ 또는 ‘tincan’ 모터라고도 하며 영구 자석 회전자를 갖고 있다. 45도 내지 90도의 큰 스텝 각도에 비교적 속도가 낮은 저 토크 장치이다. 단순한 구조이므로 저렴한 비용으로 생산 가능하며 저출력 용도에 이상적이다.
3. 하이브리드 스테퍼
이 스테퍼 모터 버전은 영구 자석과 가변 자기 저항형 타입의 장점만 조합한 형태이다.
스테퍼 모터의 기초
1. 스테퍼 모터의 특징
• 회전각이 인풋 펄스 수치와 비례
• 회전각이 인풋 펄스 진동수와 비례
• 포지션 피드백이 없는 오픈 루프 시스템
• 탁월한 가속, 감속 및 스텝 명령 반응
• 포지셔닝 오류 비 누적(스텝 각도의 ±5%)
• 기어 감속이 필요 없는 탁월한 저속, 높은 토크
• 통전 시 홀딩 토크
• 고유의 정지 토크
• 양방향 구동
• 모터 파손 없이 정지 가능
• 브러시가 없어 트러블 없이 오랫동안 가동
• 정밀 볼 베어링(브랜드, 타입에 따라 다름)
2. 스테퍼 모터의 단점
• 적절히 제어되지 않으면 공명 발생 가능성이 있음
• 초고속 구동이 쉽지 않음
• 오버 토크가 가해질 경우 회전자 위치에 대한 모든 값들이 분실되므로 시스템을 다시 시작해야 함
• 동급 DC/AC 모터에 비해 사이즈 대비 적은 토크 발생
3. 권선 연결
스테퍼 모터는 여러 가지 각각 다른 리드 구성으로 생산된다. 가장 보편적인 구성은 다음과 같다.
• 4 Lead - 이극
• 5 Lead - 단극
• 6 Lead - 단극, 이극(직렬 연결)
• 8 Lead - 단극, 이극(직렬 연결) & 이극(병렬 연결)
4. 스테퍼 모드
스테퍼 모터는 여러 가지 상이한 시퀀스로 구동 가능하다. 가장 보편적인 시퀀스는 다음과 같다.
(1) 웨이브 구동
이 모드에서는 주어진 시간 동안 단상으로만 통전된다. 즉, 단극 모터의 경우 가용 권선의 25%만 활용되고, 이극 모터의 경우 50%가 활용된다는 의미이다.
(2) 풀 스텝 구동
이 모드에서는 주어진 시간 동안 두 개의 위상으로 통전된다. 즉, 단극 모터의 경우 가용 권선의 50%가 활용되고, 이극 모터의 경우 100%가 활용된다는 의미이다.
(3) 하프 스텝 구동
이 모드에서는 회전자가 하프 스텝으로 정렬되도록 웨이브 및 풀스텝 드라이버가 삽입된다. 즉, 단극 모터의 경우 가용 권선의 37.5%가 활용되고, 이극 모터의 경우 평균적으로 75%가 활용된다는 의미이다.
5. 응용 분야
(1) 산업용 기계
스테퍼 모터는 자동차 게이지, 자동화 생산 설비에 사용된다. 제조 산업 라인의 로보틱스, 검사 및 프로세스
(2) 보안
PAN/ZOOM/TILT 기능이 있는 보안 카메라를 포함한 보안 업계용 신형 감시 제품
(3) 의료
스테퍼 모터는 의료용 스캐너와 샘플러 내부뿐 아니라 디지털 사진, 액상 펌프, 인공 호흡기 및 혈액 분석기에도 사용 가능
(4) 소비자 가전
자동 디지털 카메라의 포커스 및 줌에 사용되는 스테퍼 모터
그 외에 업무용 기기, 컴퓨터 주변 기기 용도로도 사용된다.

▲ 그림 3.
온세미컨덕터의 스테퍼 모터 드라이버 솔루션
보안, 의료, 산업 용도뿐 아니라 최근 시스템 레벨 설계 및 조립 비용 감축이 강조됨에 따라 모든 제조사들이 집적도 향상과 전반적인 비용 절감 쪽으로 관심을 돌리고 있다. 디지털 세계에서 고집적은 새로운 것이 아니며, 18개월마다 속도가 두 배로 증가하고 집적 회로의 사이즈는 50%로 축소되고 있다.
파워 아날로그 세계에서는 일반적으로 모터가 쉬워 보이지 않는 위치에 자리하는 경우가 많다. 모터 마력, 모터 구동 중 열 발산, 미주 전류 등을 감안해야 하며 드라이버는 아날로그 모터들에 집적되도록 효율적이고 작아야 한다.
비용과 정확성, 그리고 사용 용이성이 강조됨에 따라 업계는 점점 더 스테퍼 모터 애플리케이션쪽으로 관심을 돌리고 있다. 앞에서 설명한 바와 같이, 이론적으로 스테퍼 모터는 단순성 측면에서 볼 때 경이로울 정도이며 브러시나 접점이 필요 없다.
즉, 기본적으로 자기장이 전기적으로 전환되면서 전기자 자석을 회전시키는 동기 모터이다. 디지털 펄스를 기계적 축 회전으로 변환시키므로, 표현을 달리 하면 일종의 ‘디지털 모터’라고 할 수 있다.
1. 스테퍼 모터의 전류 제어
스테퍼 모터는 다음과 같은 핵심 요소에 의존해야 한다.
(1) 토크/토크 효율
토크는 축을 중심으로 한 물체의 회전력이다. 토크를 발생시키려면 영구 자석에 의해 발생하는 회전자 계자와 고정자 계자 등 두 가지 요소가 필요하다. 계자가 반대 방향일 때 토크가 극대화된다.
코일 전류를 증가시키면 토크가 증가하고, 전달된 토크가 부하와 같아지면 효율이 극대화된다. 안정적인 영역의 가장자리에서 최대 토크가 전달되며 드라이버 로직에 주의하지 않으면 모터가 정지할 위험이 있다는 것이 핵심 포인트이다.
(2) 부하각
부하각 d는 고정자와 회전자 계자 사이의 각으로, 이미 발생한 토크와 부하 사이의 평형점 ‘p’이다. 부하가 증가하면 부하각 d도 증가한다.
(3) 전류 제어
펄스 폭 변조(PWM)를 활용하고 H-브릿지를 전환시키면 모터의 권선 코일에 걸쳐 Votlage4가 잘게 분포된다. 코일 전반에 걸쳐 전압이 커지면 전류가 증가한다. 그리고 코일이 단락되면 전류 역시 감소하는데 이를 ‘감쇠’라고 부른다.

▲ 그림 4.
핵심 이슈 … 보안 카메라
보안이 전 세계적인 관심사로 부각되면서 지난 5년간 IP 보안 카메라의 사용량이 4배나 증가했다. 디지털 카메라가 이 기술의 최적 애플리케이션으로 등장함에 따라 저가의 CMOS 및 CCD 이미지 센서 사용이 늘고 있다.
비디오 화질은 센서 해상도와 디지털 인공 화상(Digital Artifacts) 및 비디오 왜곡 현상에 크게 좌우되지만, 그럼에도 불구하고 카메라의 좌우 또는 상하 이동 시 뚜렷이 보여야 한다.
원래 이 문제는 샤프트 인코더 화질을 기반으로 고해상도 서보 피드백을 갖춘 값비싼 아날로그 모터 드라이버로 처리됐다. 이러한 드라이버를 사용하는 데에는 상당한 비용이 소요됐으므로 화질을 개선하면서도 비용과 복잡성을 줄이기 위해 새로운 접근법을 도입해야 했다.
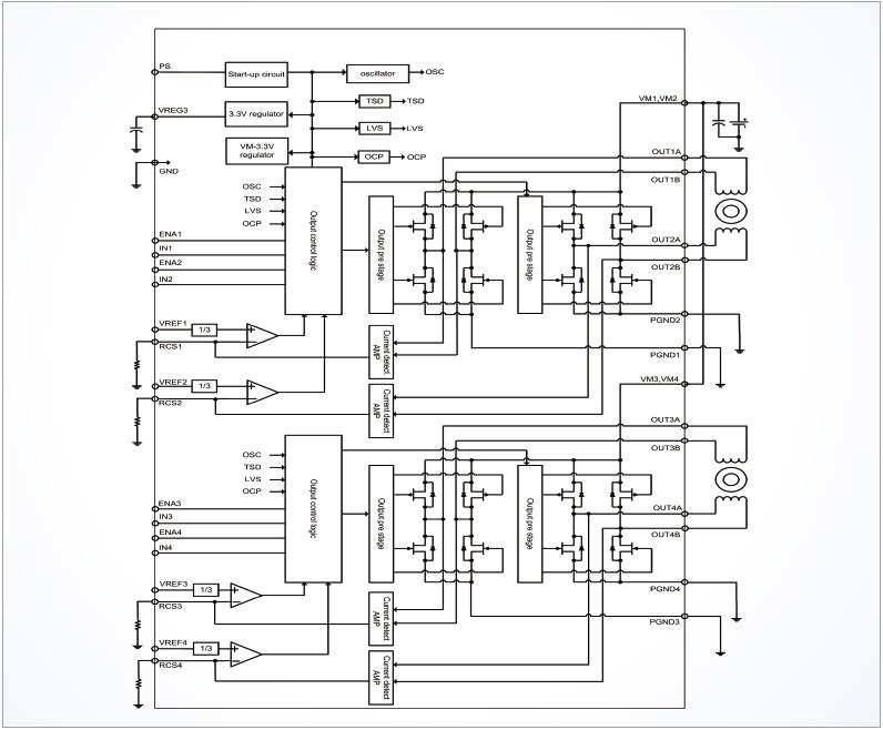
고집적 듀얼 채널 PWM 상수, 전류 제어 스테퍼 모터 드라이버, LV8714A
드라이버, PWM 로직과 함께 드라이버 내부에 Full Quad H-브릿지 전원 스위치를 내장한 LV8714A는 필요에 따라 2개의 스테퍼 모터나 4개의 DC 브러시 모터를 구동할 수 있다. LV8714를 통해 어떤 설계 엔지니어라도 몇 주만에 초당 Pan/Tilt 기능을 수행하는 카메라를 처음부터 끝까지 설계할 수 있다.
각 H-브릿지마다 가용한 기준 전압 입력 덕분에 LV8714A로 두 개의 모터를 동시에 구동할 수 있다. 입력 전압 범위가 4V∼16.5V로 광범위하기 때문에 PoE Sec 카메라, PoE POS 터미널, 문서 스캐너, 조립 라인 품질 관리, 평판 스캐너 및 다기능 프린터 등의 용도에 안성맞춤이다. 또한 다음과 같은 여러 안전 요소들도 내장돼 있다.
• 추가 비용 감축을 위한 단일 공급 전원
• 낮은 Rds(on)의 내부 FET에 의한 높은 효율과 낮은 전력 소비
• 부품 개수를 줄이고 전력 손실을 더욱 억제하기 위한 내부 전류 감지 저항기. 경쟁사 제품에 비해 전력 소비 35% 감축 효과 제공
• 외부 부품들을 사용하지 않는 과전류 및 열 차단으로 안전 설계 보장
Arthur Gonsky _ 온세미콘덕터













































