잡음에 민감한 아날로그/RF 애플리케이션을 구동할 때는 대체적으로 스위칭 레귤레이터보다 LDO(Low Dropout) 리니어 레귤레이터를 선호한다. 잡음이 낮은 LDO는 주파수 합성기(PLL/VCO), RF 믹서 및 변조기, 고속 고분해능 데이터 컨버터(ADC 및 DAC), 정밀 센서 같이 다양한 유형의 아날로그/RF 디자인을 구동하는 데 사용되고 있다. 그런데 이러한 애플리케이션들의 성능과 감도는 기존 저잡음 LDO의 한계를 시험하는 수준에 이르고 있다.
많은 하이엔드 VCO에서는 전원장치 잡음이 VCO 출력 위상 잡음(지터)에 직접적으로 영향을 미친다. 게다가 전반적인 시스템 효율 요구를 충족하기 위해서 대부분 LDO를 사용해 비교적 잡음이 심한 스위칭 컨버터 출력을 포스트(사후적으로) 레귤레이트한다.
그러므로 LDO의 고주파 PSRR(Power Supply Rejection Ratio : 전원 전압 변동 제거비)의 성능이 무엇보다 중요해진다. 출력 잡음은 낮고 PSRR 성능은 뛰어난 리니어 테크놀로지(Linear Technology)의 LT3042는 부피가 큰 필터링을 필요로 하지 않고 잡음에 민감한 애플리케이션을 직접 구동할 수 있을 뿐 아니라 스위칭 컨버터 출력을 포스트 레귤레이트할 수 있다. 표 1은 LT3042와 기존 저잡음 레귤레이터의 잡음 성능을 비교한 것이다.

▲ 표 1. LT3042와 기존 저잡음 LDO의 비교
성능, 견고함, 단순성
리니어 레귤레이터(LT3042)는 고성능 LDO 리니어 레귤레이터 제품으로, 잡음은 낮고 PSRR은 뛰어난 리니어 테크놀로지의 아키텍처를 사용함으로써 잡음에 민감한 애플리케이션을 구동하는 데 적합하다. 또한 높은 성능과 함께 단순성과 견고성도 겸비하고 있다.
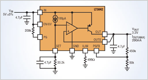
그림 1은 애플리케이션 예를, 그림 2는 전체적인 데모 회로를 나타낸 것이다. 이 레귤레이터는 소형화된 3mm×3mm DFN 패키지이고 최소한의 소자만 필요로 하므로 전체적인 솔루션 크기를 소형화한다.

▲ 그림 1. LT3042 애플리케이션 예

▲ 그림 2. LT3042 데모 회로
정밀 전류 레퍼런스에 이어서 고성능 전압 버퍼로 이루어진 LT3042는 손쉽게 병렬로 연결해 출력 전류를 높이고, PCB로 열을 분산시켜 잡음을 추가로 낮출 수 있다(병렬로 연결한 디바이스 수의 제곱근으로 출력 잡음이 감소한다). 전류 레퍼런스 기반 아키텍처는 넓은 출력 전압 범위(0V∼15V)를 가능하게 할 뿐 아니라 단위 이득 동작을 유지하므로, 프로그램된 출력 전압에 상관 없이 거의 일정한 출력 잡음, PSRR, 대역폭, 부하 레귤레이션을 달성한다.
낮은 잡음과 높은 PSRR 외에도, 이 레귤레이터는 프로그래머블 전류 한계, 프로그래머블 파워 굿(Power Good) 임계값, 신속한 스타트업을 비롯해 첨단 시스템에 필요한 다수의 기능들을 포함하고 있다. 그리고 배터리 구동 시스템에 사용하기 위한 보호 기능들도 포함하고 있다.
역 입력 보호 회로는 IC를 손상시키거나 출력상 음의 전압을 구축하지 않으며 입력상에서 음의 전압을 허용할 수 있다. 그 이유는 마치 입력과 직렬로 아이디얼 다이오드가 연결되어 있는 것처럼 동작하기 때문이다.
배터리 백업 시스템에서는 출력이 입력보다 높게 유지될 수 있는데, LT3042의 역 출력 대 입력 보호 회로는 역 전류가 입력 전원으로 흐르는 것을 방지한다. 또한 내부적 폴드백 전류 한계와 히스테리시스를 사용한 열 한계 기능을 포함하고 있어 SOA(Safe-Operating-Area)로 동작하도록 한다.
낮은 출력 잡음
10Hz~100kHz까지의 대역폭으로 출력 잡음이 0.8㎶RMS(이 수준의 잡음과 PSRR을 적절히 측정하려면 각별한 주의와 특수한 계측기가 필요하다)인 LT3042는 잡음이 1㎶RMS 미만인 레귤레이터이다.
그림 3은 10Hz부터 100kHz까지 이 레귤레이터의 적분 출력 잡음과, 지난 10여 년 동안 리니어 제품 중 잡음이 가장 낮았던 LT1763의 잡음을 비교한 것이다. LT3042의 저잡음 성능은 이전에 불가능했던 애플리케이션을 가능하게 하거나, 비싸고 큰 필터링 소자를 필요하지 않게 해 준다.

▲ 그림 3. 출력 잡음(10Hz에서 100kHz까지)
SET 핀 커패시터(CSET)는 레퍼런스 전류 잡음, 베이스 전류 잡음(입력 스테이지의 오차 증폭기의 잡음), SET 핀 저항(RSET)의 근본적인 열 잡음을 우회할 수 있도록 한다. 그림 4와 같이 CSET을 높이면 저주파 잡음 성능이 크게 향상된다.
22μF CSET를 사용하면 출력 잡음이 10Hz일 때 20nV/ Hz 미만이다. 그런데 또 한 가지 유의할 점은, 커패시터가 1/f 잡음 또한 발생시킨다는 것이다. 특히 전해 커패시터의 경우가 그렇다. 그러므로 1/f 잡음을 최소화하려면 SET 핀에 세라믹 커패시터나 탄탈 커패시터, 박막 커패시터를 사용한다.

▲ 그림 4. 잡음 스펙트럼 밀도
SET 핀을 배터리나 저잡음 전압 레퍼런스를 사용해 동적으로 구동하면 10Hz 미만에서의 잡음을 감소시킨다. 따라서 근본적으로 저주파수일 때의 레퍼런스 전류 잡음을 제거하고 매우 낮은 오차 증폭기 잡음만 남겨놓는다. 이와 같이 SET 핀을 구동할 수 있는 능력이 전류 레퍼런스 아키텍처의 또 다른 이점이다. 또한 SET 핀 커패시턴스를 높여 적분 RMS 잡음을 향상시킴으로써 그림 5와 같이 단 2.2μF CSET를 사용해 1㎶RMS 아래로 떨어트린다.

▲ 그림 5. 적분 RMS 출력 잡음(10Hz∼100kHz)
출력 잡음을 낮추기 위해 SET 핀 바이패스 커패시턴스를 높이면, 일반적으로 스타트업 시간이 늘어난다. 하지만 LT3042의 신속한 스타트업 회로는 이러한 문제를 완화해 준다. 이 회로는 2개 저항을 사용해서 편리하게 구성할 수 있다. 그림 6은 스타트업 시간이 극적으로 향상되는 것을 나타낸 것이다.

▲ 그림 6. 빠른 스타트업
높은 PSRR 성능
LT3042의 높은 PSRR은 잡음에 민감한 애플리케이션 구동 시 중요한 요소이다. 그림 7은 이 레귤레이터의 뛰어난 저주파 및 고주파 PSRR 성능을 나타낸다. 100Hz일 때 거의 120dB에 이르며, 1MHz일 때 79dB, 3MHz일 때 70dB 이하라는 것을 알 수 있다. 또한 그림 8과 같이, PSRR 성능은 부하 전류가 낮아짐에 따라 더 우수해진다.

▲ 그림 7. PSRR 성능

▲ 그림 8. 다양한 부하 전류에 따른 PSRR
기존의 LDO가 드롭아웃에 근접함에 따라 PSRR 성능이 수십dB로 악화되는 것과 달리, LT3042는 낮은 입력 대 출력 차이로도 높은 PSRR을 유지한다. 그림 9와 같이, LT3042는 불과 1V 입력 대 출력 차이로도 2MHz까지 70dB PSRR을 유지하며, 단 600mV의 입력 대 출력 차이로도 2MHz까지 거의 60dB PSRR을 유지한다. 이러한 능력 덕분에 LT3042는 낮은 입력 대 출력 차이(높은 효율)로 스위칭 컨버터를 포스트 레귤레이트할 수 있을 뿐 아니라 잡음에 민감한 애플리케이션의 요구를 충족하는 PSRR 성능을 달성한다.

▲ 그림 9. 입력 대 출력 차이에 따른 PSRR
스위칭 컨버터 포스트 레귤레이트
LT3042를 사용해 스위칭 컨버터 출력을 포스트 레귤레이트하고 고주파수로 매우 높은 PSRR을 달성하기 위해서는, 스위칭 컨버터에서 LT3042 출력으로 전자기 결합에 주의를 기울여야 한다.
특히 스위칭 컨버터의 ‘핫 루프’를 되도록 작게 하고 스위처 IC, 출력 인덕터, 출력 커패시터로 형성되는 ‘웜 루프’ 역시 최소화해야 할 뿐 아니라, 그에 더해서 차폐하고 LT3042나 그 부하 같은 극저 잡음 소자들로부터 몇 인치 떨어지게 해야 한다.
LT3042의 위치를 웜 루프에 대해 최적화하여 자기 결합을 최소화할 수 있지만, 단지 위치를 최적화하는 것만으로는 실제적으로 80dB을 제거하기 어렵다. 그리고 이렇게 하려면 반복적인 PCB 레이아웃이 필요할 수도 있다.
예를 들어, 그림 10에서는 LT3042가 LT8614 Silent Switcher® 레귤레이터를 포스트 레귤레이트하고 있다. LT8614는 스위칭 레귤레이터 입력에서 EMI 필터를 사용해 500kHz로 동작한다. LT3042가 스위칭 컨버터와 외부 소자들로부터 겨우 1∼2인치 떨어져 있음에도 불구하고 500kHz일 때 차폐를 사용하지 않고 거의 80dB를 제거하고 있다.

▲ 그림 10. LT3042가 LT8614 사일런트 스위처(Silent Switcher) 레귤레이터를 포스트 레귤레이트할 때
그런데 이러한 성능을 달성하기 위해 그림 11(a)와 같이 스위처 출력에서의 22μF을 제외하고는 LT3042의 입력으로 어떤 추가적인 커패시터도 사용하지 않고 있다. 그런데 그림 11(b)에서는 LT3042의 입력으로 소형 4.7μF 커패시터만 사용해도 PSRR이 10배 이상 악화되는 것을 알 수 있다.

▲ 그림 11. LT3042가 LT8614 사일런트 스위처를 포스트 레귤레이트할 때
이것은 직관적인 생각과 반대된다. 입력 커패시턴스를 추가하면 일반적으로 출력 리플을 낮출 수 있다. 하지만 80dB 제거의 경우, 높은 고주파(500kHz) 스위칭 전류가 이 4.7μF 커패시터를 통해 흐른 결과로, 자기 결합이 출력 리플을 심하게 악화시킨다.
4.7μF 입력 커패시터와 스위처 출력을 이 커패시터로 연결하는 트레이스 배치를 바꿈으로써 자기 결합을 최소화할 수 있지만, 이 주파수일 때는 여전히 80dB을 제거하기가 꽤 어려우며 여러 번의 PCB 레이아웃 반복이 필요할 수 있다.
비교적 높은 LT3042의 입력 임피던스는 고주파 AC 전류가 입력 단자로 흐르는 것을 방해한다. 최상의 PSRR 성능을 달성하려면, LT3042는 선행 레귤레이트 스위칭 전원장치의 출력 커패시터로부터 3인치 이내에 있을 경우 입력 커패시터가 없어야 안정적이라는 점을 고려했을 때, LT3042의 입력으로 커패시터를 사용하지 않거나 최소화할 것을 권장한다.
LT8614에서 LT3042 입력으로 연결하는 몇 인치의 트레이스 인덕턴스가 초고주파 전력 스위치 전환 스파이크를 감쇠시킨다. 하지만 그렇더라도 여전히 LT8614의 ‘핫 루프’에서 자기 결합 때문에 일부 스파이크가 출력으로 전달될 수 있다.
LT3042의 보드 상 위치를 최적화하면 여분의 스파이크를 줄일 수 있다. 계측기 대역폭의 한계 때문에 그림 11의 출력 리플에서는 이러한 초고주파 스파이크를 표시하지 못하고 있다.
PSRR이 높은 LT3042 LDO 등의 제품을 사용하지 않고 500kHz로 80dB를 제거하려는 것은 무리한 생각일 것이다. 다른 대안적인 방법으로도 이 정도로 하기는 어렵다.
예를 들어 LC 필터는 500kHz로 80dB 제거하기 위해 거의 40μH의 인덕턴스와 40μF 커패시턴스를 필요로 하므로 비싸고 큰 소자들이 필요할 것이다. 그러면 비용과 보드 면적을 증가시킬 뿐 아니라, LC의 경우 적절히 댐핑하지 않으면 공진을 일으킬 수 있으므로 복잡성을 가중시킨다.
RC 필터는 80dB 제거를 위해 비현실적일 만큼 저항이 필요로 하므로 권장할 만한 방법이 아니다. 마찬가지로, 기존의 LDO를 사용하면 500kHz로 80dB를 제거하기 위해 최소한 2개를 연쇄적으로 연결해야 하는데, 그러면 소자 수와 비용이 늘리어나며 드롭아웃 전압도 악화된다.
또한 80dB을 제거하기 위한 대안적인 방법들은 자기장 결합에 대해서 주의를 기울여야 한다. 특히 고주파 AC 전류를 최소화해야 한다.
넓은 주파수 범위에 걸쳐 높은 PSRR을 달성함으로써, LT3042는 필터 소자 크기를 늘리지 않고도 선행 스위칭 컨버터가 더 낮은 주파수로 동작할 수 있도록 하므로 효율과 EMI를 향상시키며 잡음에 민감한 애플리케이션을 구동하는 데 적합하다.
LT3042는 뛰어난 잡음 및 PSRR 성능을 달성할 뿐만 아니라 견고성과 사용 편의성까지 갖추고 있어 잡음에 민감한 애플리케이션을 구동하는 데 적합하다.
또한 전류 레퍼런스 기반 아키텍처이므로 출력 전압에 상관 없이 잡음과 PSRR 성능을 일정하게 유지한다. 그리고 다중의 LT3042를 직접 병렬로 연결함으로써 출력 잡음을 추가적으로 더 낮추고 출력 전류를 높이며 PCB 상의 열을 분산시킬 수 있다.
Amit Patel _ 리니어 테크놀로지





