
교통시스템은 입력 전압이 최대 14V나(단일 배터리 자동차) 28V나(듀얼 배터리 트럭, 버스, 항공기) 혹은 그 이상까지 이를 수 있으며 디지털 시스템을 구동하기 위해서는 하나 이상의 저전압 레일을 필요로 한다.
이러한 시스템을 설계하는 디자이너는 높은 입력 전압을 어떻게 간단하고, 효율적이고, 신뢰할 수 있게 스텝다운 할 것인지 이해해야 한다. 그림 1은 자동차 환경에서 입력 전압이 동작 조건에 따라서 어떻게 변동적인지 보여준다. 부하 덤프와 콜드 크랭크 뿐만 아니라 역 배터리 조건까지도 처리할 수 있어야 한다.

▲ 그림 1. 자동차 트랜션트 예
자신의 애플리케이션에서 아주 높은 전력 변환 효율을 필요로 할 때는(효율이 높으면 변환 과정에서 낭비되는 전력이 열로 발생되는 것을 최소화할 수 있음) 스위칭 레귤레이터 솔루션을 사용하는 것이 유리하다. 스위칭 레귤레이터는 IC 내부에 동기식 또는 비동기식 구성으로 MOSFET을 통합해 모노리딕으로 구현할 수 있다.
다른 방법으로는 단일 또는 다중 스테이지 토폴로지(다위상)로 스위칭 컨트롤러가 외부 MOSFET을 구동해서 수십 A에서부터 수백 A에 이르는 전력을 제공할 수 있다. 이러한 폭넓은 전력 범위를 지원하기 위해서 리니어 테크놀로지는 포괄적인 유형의 스위칭 레귤레이터 솔루션을 제공한다.
그러므로 사용자가 특정한 최종 시스템의 설계 요구에 따라서 가장 적합한 디바이스를 선택할 수 있다. 리니어의 스위칭 레귤레이터 제품은 5V부터 150V까지 넓은 입력 전압 범위와 수백 밀리암페어부터 1,000A 이상에 이르는 넓은 출력 전력 범위를 제공한다. 이러한 예를 보여주는 제품이 LTC3895이다. LTC3895는 150V 입력 가능 동기 스텝다운 컨버터로서, 그림 2에서 보는 것처럼 다위상 동작으로 구성할 수 있다.

▲ 그림 2. LTC3895 회로도, 효율 및 전력 손실 곡선
교통시스템을 설계할 때 흔하게 직면하는 과제는 이것이다. “어떻게 하면 기능적인 성능과 변환 효율에는 영향을 미치지 않으면서 높은 스텝다운 비율과 컴팩트한 솔루션 풋프린트를 달성할 것인가?” 최근까지만 해도 어느 정도의 절충없이는 이러한 모든 측면의 요구를 충족할 수 있는 솔루션이 존재하지 않았다. 그런데 이제 리니어 테크놀로지의 LT86xx 모노리딕 2MHz 이상 동기 스텝다운 컨버터 제품군이 출시됨으로써 이러한 모든 요구를 동시에 충족할 수 있게 됐다.
이 제품군 중의 한 제품으로서 LT8609는 2A 42V 입력 동기 스텝다운 스위칭 레귤레이터이다. 이 제품은 고유의 동기 정류 토폴로지를 채택함으로써 2MHz로 스위칭하면서 93% 효율을 제공한다. 그러므로 AM 라디오 같은 잡음에 민감한 주요 주파수 대역을 피할 수 있으며 지극히 컴팩트한 솔루션 풋프린트를 가능하게 한다.
또한 Burst Mode 동작은 무부하 대기 조건에서 정지 전류를 1.5 A 아래로 유지하므로 “always-on” 시스템에 사용하기에 이상적으로 적합하다. 또한 LT8609의 3.0V~42V 입력 전압 범위는, 콜드 크랭크 조건과 스톱-스타트 동작을 비롯해서 낮게는 3.0V부터 부하 덤프 트랜션트 시의 40V 이상까지 처리할 수 있어야 하는 자동차 애플리케이션에 사용하기에 적합하다. 내부 3.5A 스위치는 최대 2A의 연속 출력 전류와 3A의 피크 부하 전류를 제공할 수 있다. 그림 3은 회로도 예와 2MHz 스위칭 시의 효율 곡선을 보여준다.

▲ 그림 3. LT8609를 사용한 회로 예와 효율 곡선
많은 교통시스템은 단일 또는 이중 배터리 자동차에서 흔하게 발생되는 콜드 크랭크와 부하 덤프 등의 조건들을 처리하기 위해서 넓은 입력 전압 범위로 동작해야 한다. 이렇게 넓은 입력 전압 범위에다 요구되는 출력 전압까지 충족하기 위해서는 문제가 두 배로 복잡해진다. 그러므로 입력 전압이 출력 전압보다 높거나, 낮거나, 같거나 상관없이 고정 출력을 제공할 수 있는 솔루션을 설계한다는 것이 시스템 디자이너에게 결코 쉽지 않은 과제다.
이 과제를 해결하기 위해서 흔히 사용되는 해결책은 SEPIC 토폴로지 컨버터를 사용하는 것이다. 하지만 이 방법은 2개 인덕터를 필요로 하므로 설계하기가 복잡하며 공간 효율이나 변환 효율이 그렇게 좋지 않다.
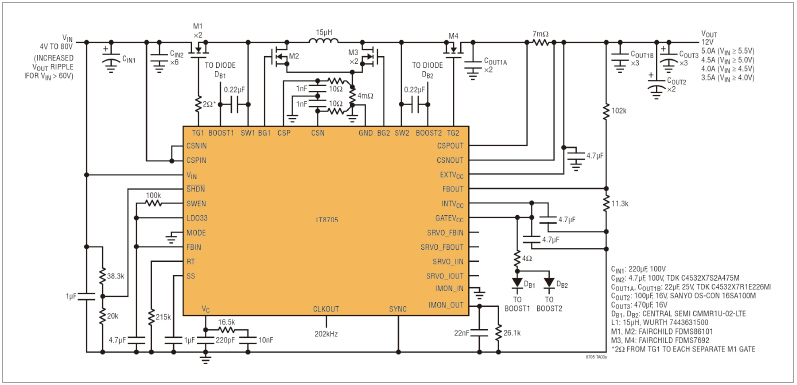
이에 대한 대안으로서 리니어는 디자인을 간소화할 뿐만 아니라 전력 손실이 5%~7% 대로서(입력 대 출력 전압 범위에 따라서) 공간 및 변환 효율 둘 다 우수한 다양한 유형의 4스위치 벅-부스트 컨트롤러 제품들을 제공한다. 그림 4의 LT8705 회로는 4V~80V 입력 가능 벅-부스트 컨트롤러로서, 자동차 환경에 흔히 사용되는 고정 12V 출력을 제공한다.

▲ 그림 4. 4V~80V 입력으로 고정 12V 출력을 제공하는 LT8705 회로도
자동차 콜드 크랭크 조건을 처리하기 위한 또 다른 방법은 부스트 컨버터와 뒤이어서 벅 컨버터를 사용하는 것이다. 이 토폴로지는 단일 배터리로부터 부스트 컨버터 출력을 배터리 공칭 전압보다 수 볼트 더 높게 설정하고, 뒤이어서 벅 컨버터를 사용해서 하위 장치들이 필요로 하는 동작 전압으로 스텝다운하는 것이다.
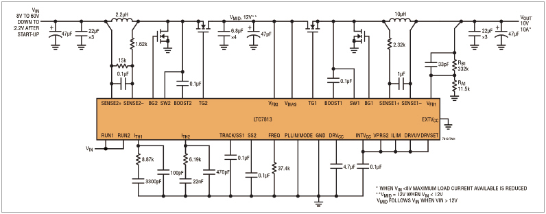
이렇게 하려면 2개 컨버터를 필요로 하는데, 리니어는 부스트 컨트롤러와 벅 컨트롤러를 통합하고 개별적으로 사용하거나 또는 부스트-벅 동작으로 사용할 수 있는 디바이스 제품을 개발하였다. LTC7813이 바로 그러한 제품으로서, 그림 5는 LTC7813을 사용한 예를 보여준다.

▲ 그림 5. LTC7813을 사용한 회로 예. LTC7813은 단일 IC로 부스트와 벅 레귤레이터를 연쇄적으로 작동할 수 있다.
저잡음 전원 관리
EMR(electromagnetic radiation), EMI(electromagnetic interference), EMC(electromagnetic compliance)는 전기 전하 입자로부터의 에너지와 그에 따른 자기장이 회로 성능과 신호 전송에 간섭을 일으킬 수 있다는 점을 시사하는 용어들이다.
무선 통신이 급속히 확대되고, 무수하게 많은 통신 장치들이 사용되고, 갈수록 더 다양한 통신 기법과 더 넓은 주파수 스펙트럼이 사용됨에 따라서(일부 기법들은 주파수가 중첩되기도 함) 전자기 간섭 문제가 무엇보다도 중요하게 됐다. 이 문제를 완화하기 위해서 각국 정부 당국과 규제 기관에서는 통신 장치 또는 장비에서 방사되는 복사량을 제한하고 있다.
그러므로 자동차 및 교통 고객들을 위해서는 복사 방사를 낮게 하는 것이 중요한 요구사항이다. 그렇다면 시스템 디자이너들은 어떻게 높은 효율과 소형화된 솔루션 크기를 달성하면서도 자동차용의 CISPR 25 Class 5의 엄격한 요구 조건(그림 6)을 충족할 것인가?

▲ 그림 6a. LT8614의 복사 방사는 CISPR25 Class 5의 요건보다 훨씬 낮다는 것을 알 수 있다.

▲ 그림 6b. Silent Switcher 기술을 적용한 LT8614
이에 대한 한 가지 해결책은 리니어의 Silent Switcher 제품군을 사용하는 것이다. 이 제품군 중의 한 제품이 LT8614이다. LT8614는 42V 입력, 4A 출력 모노리딕 스텝다운 컨버터로서, 2MHz 이상 스위칭 주파수로 스위칭하면서 95% 변환 효율을 달성하며 30ns의 낮은 최소 온 시간(on-time) 덕에 16V 입력 대 1.8V 출력의 스텝다운 비율을 가능하게 한다.
뿐만 아니라 특허 기술인 Silent Switcher 기술을 적용함으로써 그림 7에서 보는 것과 같이 CISPR 25와 CISPR 22 Class B 방사 요건을 모두 충족한다.

▲ 그림 7. LT8614는 CISPR 22와 CISPR 25 요건을 모두 충족한다
낮은 정지 전류
교통시스템은 원격 키리스 엔트리나 보안이나 개인 인포테인먼트 시스템 같이 자동차가 주차되어 있으면서도 계속해서 전력을 필요로 하는 많은 애플리케이션을 포함한다. 예를 들어 내비게이션, GPS 위치, 응급 호출(e-call) 기능을 들 수 있다. 자동차가 주행하지 않는데 왜 이런 기능들이 계속해서 켜져 있어야 하는지 의아해 할 수도 있는데, 예를 들어서 GPS 기능은 응급 상황이나 보안용으로 항상 켜져 있어야(“always-on”) 할 수 있다.
이러한 애플리케이션을 위해서 중요한 요구사항이 낮은 정지 전류다. 그래야 배터리 수명을 연장할 수 있기 때문이다. 리니어 테크놀로지는 2010년부터 대기 정지 전류가 10μA 미만인 스위칭 레귤레이터 제품들을 제공하고 있다. 최근에 출시된 제품들은 이 수치를 2μA 미만으로까지 낮추고 있다. 그러므로 이러한 다양한 자동차 전자 시스템에 사용하도록 이상적인 솔루션을 제공한다.
맺음말
리니어 테크놀로지는 다음과 같은 특성을 갖춤으로써 교통 시스템 용으로 모든 요구를 충족하는 포괄적인 유형의 스위칭 레귤레이터 제품들을 제공한다.
• 넓은 입력 전압 범위: 2.xV~150V
• 대기 모드로 낮은 정지 전류: 10μA 미만
• 최소한의 출력 잡음 및 낮은 EMI/EMC 방사
• 확장 온도 범위: 150℃ 주변 및 접합부 온도 동작 보장
• 높은 효율: 풀부하로 최대 97% 및 경부하 조건에서 최대 80%
• 열 저항이 낮은 패키지: 최저 10℃/W (θjc)
• 높은 스위칭 주파수로 동작하면서 높은 스텝다운 비율 가능: 최대 4MHz
• 높은 전류 밀도: 3mm x 5mm MSOP 패키지로 최대 5A의 연속 출력 전류
• 업계에서 가장 우수한 FIT 비율: 0.2 미만
토니 암스트롱(Tony Armstrong)
Linear Technology





