[산업용 모터 1] 스피드 컨트롤 모터 유닛 ... DSC 시리즈의 특징
[산업용 모터 2] 스피드 컨트롤 모터 유닛 ... DSC 시리즈의 제어 기술
DSC 시리즈의 제어 기술
1. 기본적인 속도 제어 기술
AC 속도 조절 모터는 회전 속도 검출용 RATE GENERATOR를 모터부에 탑재하고 있다. RATE GENE-RATOR는 1회전당 12펄스의 정현파 단상 교류 전압이 발생하므로 이를 펄스 신호로 변환하고 모터 속도를 검출한다. 단상 교류 전압 때문에 회전방향은 검출할 수 없다(그림 7 참조).

그림 7. RATE GENERATOR의 출력 파형
스피드 컨트롤러는 설정 속도와 회전 속도가 같아지도록, 위상 제어에서 모터 인가전압의 크기를 조정하며 속도를 제어한다(그림 8 참조).

그림 8. 제어 블록도
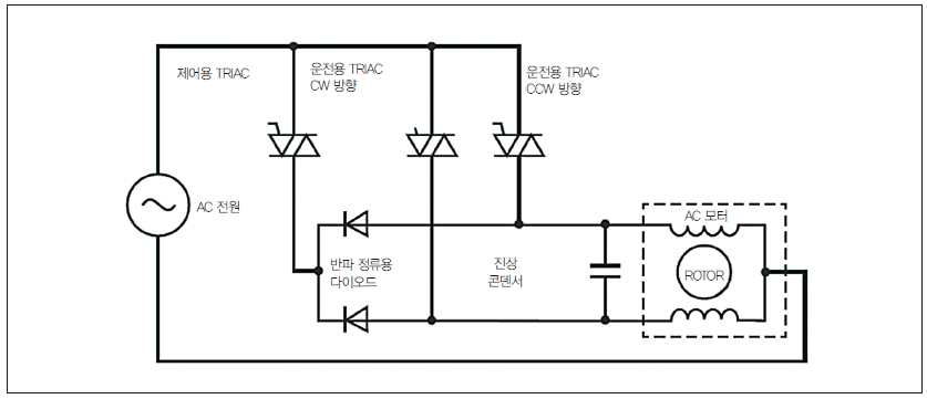
위상 제어는 반도체 소자의 TRIAC을 사용하고 있다(그림 9 참조).

그림 9. 위상제어 회로의 구성
TR- IAC의 점 원호각을 제어하여 모터 인가전압을 조정한다. TRIAC은 운전용과 제동용을 탑재하고 있으며, 순간 정지할 때는 제동용 TRIAC을 ON로 하는 것으로 모터 코일에 직류 성분의 브레이크 전류를 흘리고 감속 토크를 발생시킨다.
2. 순간 정/역 운전 제어 기술
기존품은 INDUCTION 모터의 정/역 운전을 하려면 모터를 한번 정지시켜야 했다. 이는 INDUCTION 모터의 회전 속도-토크 특성에 마이너스(-) 토크 영역이 있어서(그림 10 참조) 마찰 부하가 적은 조건에서 사용하면 회전 자계를 반전시켜도 역전할 수 없기 때문이다.

그림 10. INDUCTION 모터와 REVERSIBLE 모터의 회전속도-토크 특성(50Hz)
그래서 순간 정/역 운전을 할 경우 REVERSIBLE 모터를 사용할 필요가 있었다.
REVERSIBLE 모터는 진상 콘덴서의 용량을 올리고 기동 회전력을 키워 마이너스(-) 토크 영역이 없는 회전 속도·토크 특성을 나타낸다. 그래서 모터 효율이 나쁜 운전 시간의 제한이 있다. 또 역전에 필요한 시간을 줄이고 모터 정지 시의 오버런 양을 저감하기 위해서 간이 브레이크를 탑재하고 있다. INDUCTION 모터와 REVER-SIBLE 모터의 간단한 비교를 표 2에 나타낸다.

표 2. INDUCTION 모터와 REVERSIBLE 모터의 비교
DSC 시리즈는 순간 정/역 운전 시에 브레이크 전류를 자동으로 짧은 시간 흐르게 하고, 마이너스(-) 토크 영역이 없는 회전 속도까지 감속시킨 후에 회전 자계를 반전시킴으로써, INDUC-TION 모터의 순간 정/역 운전을 실현하고 있다(그림 11 참조). INDUCTION 모터이기 때문에 연속운전이 가능하다.

그림 11. 순간 정역 운전 시 응답 사례
다만, 순간 정/역 운전 시에는 브레이크 전류와 반대방향으로 모터 구동 전류가 통상적인 운전 때보다 큰 전류로 흘러가기 때문에 한 방향 연속운전에 비하면 발열이 커진다. 그래서 자주 순간 정/역 운전을 반복하면 모터 과열 보호가 작동할 가능성이 있다. 그림 12와 같이 반복주기로 운전하면 확실히 연속운전이 가능하다.

그림 12. 순간 정역 운전의 최단 반복 주기
또 모터 사용 주위 온도가 낮은 경우나 모터 온도가 90℃ 이하인 조건에서는 보다 짧은 반복주기에서도 순간 정/역 운전이 가능하다.
3. 감속 토크 제어 기술(電磁 Brake 부착 타입)
(1) 감속 제어
기존 제품의 속도 제어는 회전 속도가 설정 속도보다 느린 경우에는 모터 인가전압을 크게 하고, 설정 속도보다 빠른 경우에는 모터 인가전압을 작게 하는 것으로 속도를 조정한다.
그래서 감아내림 운전 등 모터 출력축이 외력에 의해 사용되는 용도에서는 회전 속도가 설정 속도보다 빨라지고 모터 인가전압을 줄여도 모터 속도가 떨어지지 않고 가속이 계속된다. 최종적으로는 모터에 인가전압이 아닌 무 여자 상태가 된다. 즉, 속도를 낮추기 위해 감속 토크를 출력해야 하는 제어방식이었다.
반면, DSC 시리즈는 회전 속도가 설정 속도보다 빠른 경우, 브레이크 전류에 의한 감속 토크를 출력하고 감속 토크의 크기를 조절하는 감속 제어를 채용했다. 감속 제어 시는 브레이크 전류의 크기를 위상 제어에서 조정하고 외력에 의한 힘을 억누르며, 설정 속도로 회전을 유지하도록 제어한다(그림 13 참조).

그림 13. 감속 제어 시 기동 응답 예(감아 내림 방향)
운전용 TRIAC을 ON으로 하면 회전 토크를 출력하고 제동용 TRIAC을 ON으로 하면 감속 토크를 출력한다(그림 9 참조). 어느 TRIAC을 ON으로 할지를 판단하며 모터의 회전 속도를 제어한다(그림 14 참조).

그림 14. 속도 제어 블록도
이렇게 해서 감아내림 운전 시에도 설정 속도 값으로 운전할 수 있는 속도 제어를 실현하고 있다. 감속제어로 감속 토크를 제어할 수 있게 되었기 때문에 대 관성 부하로 정지시키는 경우에도 설정한 가/감속으로 정지할 수 있다. 기존 제품은 감속 토크를 출력할 수 없기 때문에, 자연 정지 시 필요한 시간보다 짧은 시간으로 감속 정지가 불가했다(그림 15, 16 참조).

그림 15. 대관성 부하의 정지 응답 예(기존제품)

그림 16. 대관성 부하의 정지 응답 예(DSC 시리즈)
또한, 감속제어에 의한 감속 토크의 출력방식은 컨트롤러 내부의 회생 전압이 발생하지 않는다. 그렇기 때문에 회생 저항이 필요 없어 간단한 시스템 구성으로 감아내림 운전이나 상하 구동을 실현할 수 있다.
(2) 운전시간 제한
감속제어는 브레이크 전류를 흐르게 한다. 감속제어에서 운전을 계속하게 되면 모터의 발열이 커져 과열 보호가 작동할 수 있다. 따라서 감아내림 운전이나 상하 구동 시에는 운전 DUTY 제한이 있다(그림 17 참조).

그림 17. 운전시간과 운전 DUTY제한
6W 타입에는 제한이 없다. 또한, 모터 사용 주위 온도가 낮은 경우나, 모터 케이스 온도가 90도 이하의 사용 조건에서는 장시간의 운전이나 정지시간의 짧은 운전 패턴도 가능하다.
(3) 감아내림 운전과 상하 구동 시의 허용 토크
앞서 언급한 바와 같이 RATE GE- NERATOR에 의한 회전속도 검출 방법으로는 회전 방향의 정보를 알 수 없다. 따라서 모터의 기동 토크를 초과하는 부하를 상승방향으로 구동하는 경우, 모터가 지령방향과 역방향으로 운전할 가능성이 있다.
이러한 일이 발생하지 않도록 감아내림 운전이나 상하 구동 등 외력에 의해 모터 출력축이 역전돼 버리는 용도 전환의 허용 토크 사양을 설정해놓고 있다.
또한, 감아내림 운전 시 부하가 클수록 제동전류가 커진다. 모터의 발열도 고려하여 허용 토크 사양을 정해 놓았다. 감속비에 따라 허용 토크 사양이 설정되기 때문에 오리엔탈모터 홈페이지와 카탈로그를 참조하여 모터를 선정하면 된다.
(4) [감속제어]파라미터
지금까지 설명한 감속제어는 제품에 탑재되어 있지만, [감속제어]파라미터가 ON(초깃값)인 경우의 기능이다. [감속제어]파라미터의 ON, OFF에 의한 설정범위의 차이를 표 3에 나타낸다.

표 3. [감속제어] 파라미터 설정 범위 차이
ON의 경우 회전속도, 가속시간, 감속시간의 설정범위가 좋아지는 것은 정확한 감아내림 운전과 상하구동을 구동하기 때문이다. 외력에 의해 역전될 수 없는 용도의 경우 [감속제어]파라미터를 OFF로 하여 표준 타입과 동일한 설정범위로 확대하는 것도 가능하다. 사용조건에 맞춰 선택하여 사용하기 바란다.
정리
DSC 시리즈의 특징과 INDUCTION 모터의 순간 정/역 운전 및 감아내림 운전과 상하구동을 실현하는 제어기술에 대해 소개했다. DSC 시리즈는 컨트롤러 본체에 조작패널을 탑재하여 사용하기 쉬우며, 높은 속도 제어성과 기능을 겸비한 제품이다. 다양한 운전을 할 수 있게 된 제품으로 INDUCTION 모터의 적용 용도가 넓어졌다. 장비 설계 시 꼭 검토 바란다. <자료 : 인아오리엔탈모터 기술연구소>

정리 : 임근난 기자 (fa@hellot.net)





