최근 빠르게 발전하는 LED 조명 애플리케이션이 대부분 기존 방식의 조명을 대체하고 있다. 이러한 전환이 가속화되면서 LED 드라이버에 대한 전력 요구가 증가하고 전류가 더 높아지고 있으며, 이에 따라 효율을 아끼지 않으면서 전류 감지 정확도를 유지하기가 더욱 어려워졌다. LED 드라이버는 빠른 속도로 여러개의 독립 LED 부하에 전류를 공급해야 하며, 정확한 전류 공유로 드라이버의 병렬 연결을 해야 한다.
일부 고전력 LED에는 애노드를 열 전도 백탭에 전기로 연결하는 고유의 기계, 전기 고려사항이 있다. 섀시를 냉각하는 방식으로 열 관리를 달성하는 스텝다운 레귤레이터 구성의 전통 LED 드라이버의 경우 애노드를 백탭에 연결하는 것은 기계-전기 설계 과제를 수반한다.
백탭은 히트싱크에 우수한 열 전도성을 가져야 하지만, 백탭의 전압이 섀시와 다를 경우 히트싱크와 전기적으로 절연되어야 한다. LED 제조업체가 처리 공정이나 패키징을 변경하는 것은 어려우므로 LED 드라이버 자체에서 이러한 설계 과제를 해결해야 한다.
한 가지 옵션은 4스위치 포지티브 벅-부스트 LED 드라이버를 사용하는 것이지만, 추가적인 스위칭 MOSFET은 시스템 복잡성과 비용을 높인다. 반전(양의 입력 전압으로 음의 출력 전압을 내는 기법) 벅-부스트 토폴로지는 단 한 세트의 스위칭 전력 MOSFET만 사용하고 애노드 히트싱크를 섀시 접지에 직접 전기, 기계로 연결할 수 있게 하므로 히트싱크에서 전기 절연체를 사용할 필요가 없어 시스템의 기계 설계를 간소화한다.
높은 성능 요구를 만족해야 하는 경우, LT3744를 동기 스텝다운 또는 반전 벅-부스트 컨트롤러로 구성하여 20A 이상의 연속 전류로 LED 부하를 구동할 수 있다. LT3744를 위한 전원 입력은 3.3V ~ 36V를 처리하도록 설계됐다. 스텝다운 컨버터로 구성할 경우 이 디바이스는 0V부터 입력 전압까지 LED 전류를 레귤레이트 한다. 반전 벅-부스트 컨버터로 사용 시 LT3744는 0V부터 최저 -20V 출력 전압까지 LED 전류를 높은 정확도로 레귤레이트 할 수 있다.
전체 범위의 아날로그 전류 레귤레이션 정확도는 3%이며 20분의 1 비율에서도 오차는 ±30%를 넘지 않는다. LT3744는 3개의 독립 아날로그 및 디지털 제어 입력과 3개의 보상 및 게이트 드라이브 출력을 갖추고 있어 넓은 범위의 LED 구성을 지원할 수 있다. LT3744는 인덕터 전류 감지와 LED 전류 감지가 분리되어 있어 벅 또는 반전 벅-부스트로 구성할 수 있다. 간편한 시스템 설계를 위해 LT3744의 모든 입력 신호는 보드 접지(SGND, 신호 접지)를 기준으로 하므로 외부에 복잡한 레벨 시프터를 사용할 필요가 없다.
반전 벅-부스트 구성에서는 전체 LED 순방향 전압이 입력 전원 전압보다 높으므로 고전압 LED 스트링을 저전압 전원으로부터 구동할 수 있어야 한다.
PCB 전력 밀도로 인해 부품의 전력 소모를 넓게 확산할 필요가 있는 경우 LT3744를 다른 LT3744와 손쉽게 병렬 구성하여 LED 부하에서 하이 펄스 또는 DC 전류를 구동할 수 있다.
높은 정확도의 전류 감지
LT3744는 전체 전류 제어 범위의 20분의 1까지 정확한 아날로그 디밍을 달성하는 높은 정확도의 전류 레귤레이션 오차 증폭기를 포함하고 있다.
이러한 높은 정확도는 전체 디지털 PWM 디밍 범위가 제한되는 애플리케이션이나 매우 높은 디밍 범위가 요구되는 애플리케이션에서 핵심적인 관심사이다. 일례로 100Hz PWM 디밍 주파수와 1MHz 스위칭 주파수에서 LT3744는 1250:1 PWM 디밍을 달성할 수 있으며, 이를 20:1 아날로그 디밍과 결합하면 전체 디밍 범위를 25,000:1까지 확장할 수 있다.
그림 1은 온도에 대한 오프셋 전압과 관련해 LT3744의 생산 일관성을 보여준다. 이 경우 380개의 생산품을 임의로 추출하여 아날로그 제어 입력이 0V일 때에 대한 오프셋 전압을 보여준다.

▲ 그림 1. LT3744의 LED 전류 레귤레이션 증폭기는 VCTRL = 0V에서
±300μV(일반)의 오프셋을 갖는다.
오차 증폭기의 낮은 오프셋으로 제어 루프는 20분의 1 아날로그 디밍에서 ±10%의 일반적인 정확도를 달성할 수 있다. 제어 입력이 1.5V일 때 LED 전류 감지 핀에 걸친 레귤레이트된 전압의 분포는 그림 2에서 볼 수 있다. 전체 범위의 오차는 ±3%를 벗어나지 않으며, 이는 60mV 풀스케일 레귤레이션 전압에서 ±1.8mV에 해당한다.

▲ 그림 2. 전체 전류에서 LED 전류 레귤레이션 루프는 VCTRL = 1.5V에서
±1.7%(일반)의 정확도를 갖는다.
깜빡임 없는 성능
LED 드라이버 성능에서 가장 중요한 지표의 하나는 PWM 디밍 시 LED 전류의 회복에 있다. 최종 제품의 품질은 PWM 턴온 신호의 상승 에지 후 처음 몇 회의 스위칭 사이클에서 보여주는 드라이버의 특성에 크게 결정된다. LT3744는 리니어 고유의 PWM, 보상 및 클록 동기화 기술을 사용해 LED를 20A로 구동할 때도 깜빡임 없는 성능을 제공한다.
그림 3은 12V 전원에서 적색 LED에 20A를 공급할 때 LED 전류 회복을 5분간 캡처한 것이다.

▲ 그림 3. LT3744는 깜빡임 없는 LED 디밍을 제공한다.
스위칭 주파수는 550kHz, 인덕터는 1µH, PWM 디밍 주파수는 100Hz이고, 온-시간은 10µsec(1000:1 PWM 디밍)이다.
약 30,000 디밍 사이클을 볼 수 있으며, 스위칭 파형에서 깜빡임은 전혀 없고 모든 복구 스위칭 사이클이 동일하다.
레귤레이트된 전류 간 고속 디밍
프로젝션 시스템에서 광원의 턴온 시간이 짧아지면 타이밍 제약이 줄어든다.
타이밍 제약이 감소되면 이미지 리프레시 레이트를 증가시킬 수 있어 높은 해상도 이미지를 달성하고 빠르게 움직이는 백색 물체로부터 무지개 효과를 감소시킬 수 있다. LT3744는 3회 미만의 스위칭 사이클로 서로 다른 출력 전류 상태 간에 전환할 수 있다.
LT3744는 3가지 레귤레이트된 전류 상태를 가지므로 컬러 믹싱 시스템 설계자가 각 LED의 색 온도를 조정할 수 있게 한다.
컬러 믹싱은 높은 컬러 정확도를 제공하고, 부정확한 LED 컬러를 교정할 뿐 아니라 생산 시스템에서 발생하는 차이를 제거한다.
LT3743은 낮은 전류 상태와 높은 전류 상태를 갖는 반면, LT3744는 세가지 전류 상태를 가지므로 모든 세가지 RGB LED 컬러를 고유의 광출력에서 서로 혼합해 다른 컬러를 독립으로 교정할 수 있다.
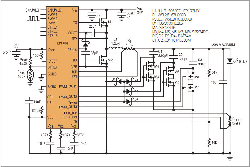
그림 4는 CTRL의 아날로그 전압과 PWM 핀의 디지털 상태에 의해 결정되는 세가지 다른 레귤레이트된 전류를 갖는 24V 입력/20A 출력, 단일 LED 드라이버를 보여준다. RS는 피크 인덕터 전류와 과전류 보호용으로만 사용되므로 높은 정확도의 저항을 구현할 필요가 없어 시스템 비용을 낮출 수 있다.

▲ 그림 4. LT3744는 세가지 다른 전류 레벨로 단일 LED를 구동할 수 있다.
세가지 다른 전류 상태 간의 PWM 디밍은 그림 5와 그림 6에서 볼 수 있다. 그림 5에서 PWM 신호는 순차적으로 턴 온/오프 된다.

▲ 그림 5. LT3744는 세가지 레귤레이트된 어느 전류 상태 간에도
전환할 수 있으며 3회 미만 스위칭 사이클로 오프된다.

▲ 그림 6. 서로 다른 전류 상태는 각 상태 간의 시간을 갖거나 갖지
않으면서 언제든 턴온 할 수 있다.
PWM3은 가장 높은 우선순위를 가지며 PWM1은 가장 낮은 우선순위를 갖는다.
이것은 한 번의 빠른 입력 신호 전환으로 출력 전류를 변환할 수 있게 한다.
그림 6에서 보듯 PWM 입력 신호 간 간격은 임의로 정할 수 있다.
포켓 또는 스마트폰 프로젝터를 위한 RGB LED 솔루션
초소형 “포켓” 또는 스마트폰 프로젝트 시스템에서 전체 솔루션 공간과 비용은 가장 중요한 요소이다. 이러한 애플리케이션에서 PCB 공간은 극히 제한되기 때문에 부품 높이를 포함한 드라이버 솔루션의 전체 크기를 최소화해야 한다. 모든 세가지 색 LED에 단 하나의 LED 드라이버만 사용하면 공간을 크게 줄일 수 있으므로 더 큰 배터리를 사용하거나 더 높은 전력의 LED를 사용해 배터리 수명을 늘리고 프로젝터의 루멘을 높일 수 있다.
LT3744는 스위치드 출력 커패시터 기술과 플로팅 게이트 드라이버를 결합해 단일 LED 드라이버로부터 완벽한 RGB 솔루션을 구현한다. LT3744는 PWM 출력 핀에 고유 게이트 드라이버를 사용한다. 드라이버의 네거티브 레일은 VFNEG 핀에서 플로팅 하므로 오프 상태인 모든 스위치의 게이트를 네거티브 전압으로 하향 구동할 수 있다. 이것은 출력 커패시터와 직렬 연결된 스위치가 어떤 조건에서도 턴온 하지 않도록 보장한다. 이 드라이버는 어느 LED 스트링 간에도 최대 15V 차를 허용한다.
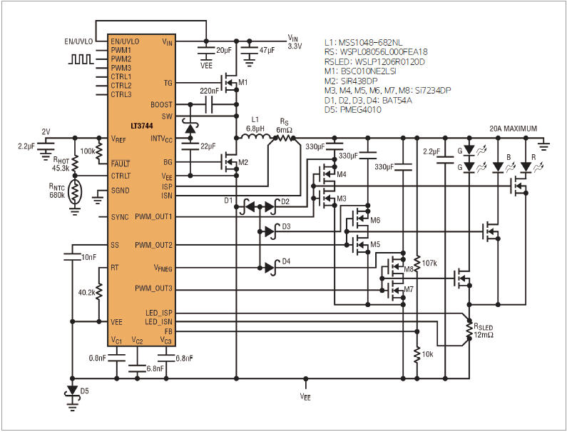
각 LED는 LED 간 시간 지연을 갖거나 PWM 디지털 입력에 임의 패턴 입력을 가지면서 순차적 턴온 할 수 있다. 또한 각 LED는 3개의 독립 아날로그 제어 입력을 가지므로 서로 다른 레귤레이트된 전류로 동작할 수 있다. LT3744를 반전 벅-부스트로 구성할 경우 단일 리튬 이온 배터리로 단 하나의 컨트롤러를 사용하여 3개의 독립 LED 스트링을 구동할 수 있다. 그림 7은 특별히 RGB 포켓 프로젝터에 적합하도록 설계된 3.3V/5A 반전 3컬러 벅-부스트 LED 드라이버를 보여준다.

▲ 그림 7. LT3744는 단일 리튬 배터리로부터 포켓 또는 스마트폰 프로젝트에서 모든 세가지 색상 요소(R, G, B) LED를 구동할 수 있다.
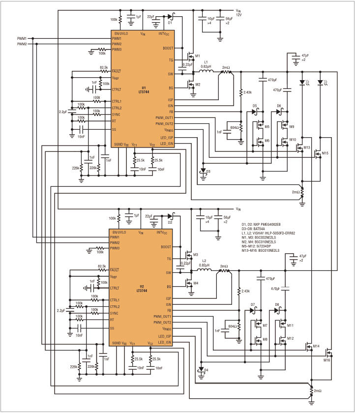
2개의 병렬 LT3744 LED 드라이버를 사용하는 324W 2-LED 드라이버
모든 고전력/고전류 컨트롤러 설계에서 심각한 제한 요소는 PCB에서의 전력 밀도이다. PCB 전력 밀도는 전력 경로 부품 내에서 과도한 온도 상승을 피하기 위해 대략 50W/cm²로 제한된다. 극단적인 경우, 하나의 LED 부하가 단일 드라이버가 (전력 밀도 제한 내로 유지하면서) 지원할 수 있는 전력보다 더 높은 전력을 필요로 하는 경우 여러 개의 컨버터를 병렬로 연결해 부하를 넓게 확산할 수 있다.
최신 전력 MOSFET을 통합한 효율적인 고전류 LED 드라이버 컨트롤러는 약 4cm²의 솔루션 크기로 약 200W를 제공하며, 모든 전력 경로 부품 온도를 80℃ 미만으로 제한할 수 있다. 200W보다 높은 LED 부하의 경우 LT3744를 다른 LT3744와 병렬로 연결해 특정 부품에서 온도 상승을 제한할 수 있다. 모든 보상 출력은 각 레귤레이터 사이에서 전류를 공유할 수 있도록 병렬로 배치해야 한다.
그림 8은 병렬 연결된 두개의 리니어 DC2339A 데모 보드를 사용하는 324W 컨버터를 보여준다. 이 설계에서 각각의 병렬 컨트롤러는 27A를 생성해 6V에서 전체 54A를 생성한다. 대응하는 보상 출력을 같이 연결하면 두 컨트롤러는 함께 동작하면서 매끄럽고 안정된 시동과 정확한 DC 레귤레이션을 제공한다.

▲ 그림 8. 57A/324W 2-LED 드라이버
그림 9는 각 보드의 LED 전류 시동 특성을 보여준다. 각 보드에서 공급하는 레귤레이트된 전류는 전체 시동 시퀀스를 통해 같아진다.

▲ 그림 9. 시동 시 LED 전류 공유
DC 레귤레이션에서 PWM 디밍을 적용하지 않을 때 그림 10은 두개의 애플리케이션 보드 간의 탁월한 전류 공유를 보여준다(파형은 서로 맨 위에서 겹쳐진다). 그림 11은 100% 듀티 사이클에서 온도가 보드의 주변 온도보다 약 55℃ 상승한 것을 보여준다.

▲ 그림 10. 전체 부하 시 DC LED 전류 공유 - 2개의 병렬 드라이브 간에
거의 차이가 없다는 것을 보여준다.

▲ 그림 11. 100% 듀티 사이클에서 LED에 324W를 공급하는 병렬 보드 온도
부품 L1은 인덕터, Q1 및 Q3은 스위칭 전력 FET, R5는 인덕터 전류 감지 저항, R32는 LED 전류 감지 저항, 그리고 U1은 LT3744이다.
이 애플리케이션에서 두개의 독립 LED 스트링을 전체 54A에서 PWM 디밍 할 수 있다. PWM 디밍할 경우 그림 12는 LED 전류가 2개의 드라이버 간에 완벽하게 공유되는 것을 보여준다. 이 테스트에서 0A에서부터 54A까지 LED에서 전류의 상승 시간은 6.6㎲이다. 각 드라이버의 출력으로부터 LED까지 전기 연결은 각 경로에서 유효 상승 시간을 떨어뜨리는 추가 인덕턴스를 피할 수 있도록 신중하게 평형을 유지해야 한다.

▲ 그림 12. LT3744는 PWM 디밍 시 병렬 드라이브 간에 탁월한 LED
전류 공유를 갖는다.
그림 13은 54A LED 전류를 50% PWM 디밍 하는 경우 각 데모 보드에서 온도 상승을 보여준다. 각 데모 보드에서 LED까지 인덕턴스를 최소화하기 위해 병렬 LED 드라이버 보드는 각각 맨 위에 직접 실장 했다.

▲ 그림 13. 50% PWM 디밍에서 LED에 54A 펄스를 공급하는 병렬 보드 온도
최적화된 레이아웃의 경우에는 드라이버 레이아웃을 서로 마주보게 하여, LED에 상호 연결을 중심으로 대칭 배열 구조를 함으로써 단일 보드 위에 두 개의 드라이버를 모두 실장 할 수 있다. LED 드라이버로부터 고전류 LED까지 전도 경로를 설계할 때는 항상 전체 인덕턴스에 대해 주의해야 한다.
인덕턴스는 와이어 길이에 의해 결정되므로, 드라이버가 아무리 빠르더라도 와이어가 길수록 LED에서 전류 회복이 길어진다.
반전 벅-부스트, 120W LED 드라이버
반전 벅-부스트 애플리케이션은 비반전 컨버터와 동일하게 인덕터 전류가 증가함에 따라 추가 설계 과제가 수반되는 열 문제를 갖는다.
낮은 입력 전압과 높은 LED 전압에서 인덕터의 평균 전류는 매우 높을 수 있다. 예를 들어 입력이 3.3V이고 출력이 20A에서 6V의 순방향 전압을 갖는 한개의 녹색 LED인 경우 피크 인덕터 전류는 70A이다. 설계에 사용되는 인덕터는 최소 20% 높은 포화 전류(이 경우 80A 이상)를 가져야 한다.
이 전류는 스위칭 MOSFET을 흐르므로 MOSFET은 80A 이상의 정격을 가져야 한다. 2개의 LT3744 반전 벅-부스트 컨버터를 병렬로 배치하면 피크 스위치드 전류가 절반으로 줄어 전력 경로 부품의 요구사항을 낮출 수 있다.
반전 벅-부스트 토폴로지에서 인덕터 전류는 동기 FET 전도 시에만 부하에 공급된다. 만약 2개의 병렬 컨버터를 프리러닝 주파수에서 동작하도록 허용한다면, 약간의 스위칭 주파수 차이로부터 LED 전류 리플에서 명백한 비트 주파수(주파수의 차이로 인하여 생기는 저주파 신호 – 서로 싸우는 주파수라 하여 비트 주파수라 한다)를 볼 수 있다.
이를 피하려면 각각의 컨버터가 동일한 RT 저항 값을 사용하고, 외부 클록을 사용하여 동기화한다.
그림 14의 애플리케이션에서 컨버터는 350kHz 동기화 클록과 300kHz의 비동기 주파수에서 동작하도록 설계됐다. 그림 15는 병렬 반전 벅-부스트 애플리케이션에서 LED에 30A를 공급하는 경우 부품의 온도 상승을 보여준다. LT3744는 높은 전류 레귤레이션 정확도, 플로팅 PWM 게이트 드라이버, 레벨 시프트 된 입력 신호 등의 특징을 갖추고 있어 다양한 애플리케이션에서 LED를 구동하도록 구성할 수 있다.

▲ 그림 14. 이 병렬 반전 애플리케이션은 섀시를 연결한 공통 애노드 LED에 120W를 공급한다.

▲ 그림 15. LED에 120W를 공급하는 병렬 반전 보드 온도
LT3744는 RGB 프로젝션 시스템에서 단일 드라이버로 사용할 수 있으므로 전체 솔루션 공간을 크게 줄여주고 스마트폰으로부터 고해상도 루멘 비디오 프로젝션을 생성할 수 있다.
LT3744는 세가지 전류 레귤레이션 상태를 사용하므로 시스템 설계자가 자유롭게 LED 컬러를 형성할 수 있고 보다 충실한 비디오 이미지를 생성한다.
또한 LT3744는 LED 전류를 직접 레귤레이팅 하고 모든 입력 신호를 레벨 시프팅 함으로써 네거티브 전압을 생성할 수 있으므로 간단한 2스위치 솔루션으로 저전압 배터리 구동 시스템에서 다중 LED 스트링을 구동할 수 있다. LT3744는 다른 LT3744와 손쉽게 병렬로 구성해 LED에 매우 높은 전류를 효율적으로 공급하며, PWM 디밍 시에도 전류 정확도를 유지하고 공유할 수 있다. LT3744를 병렬 구성하면 보드 온도와 인덕터 전류를 낮추고, 지원되는 LED 전력을 수백 와트까지 확장할 수 있다.

▲ 리니어의 고전력 LED 드라이버 컨트롤러 제품군 요약
조쉬 콜드웰(Josh Caldwell) _ 리니어 테크놀로지
워커 베이(Walker Bai) _ 리니어 테크놀로지





